OEM SMA RF Coaxial Connector Supplier

SMA সংযোগকারী

বর্ণনা:

এসএমএ আরএফ কোঅক্সিয়াল কানেক্টর হল একটি আরএফ কোঅক্সিয়াল কানেক্টর যার একটি থ্রেডেড কানেকশন মেকানিজম ইউএস মিলিটারি স্ট্যান্ডার্ড MIL-C-39012 অনুযায়ী তৈরি এবং তৈরি করা হয়েছে। এটির ছোট আকার, প্রশস্ত ব্যান্ডউইথ, চমৎকার যান্ত্রিক এবং বৈদ্যুতিক কর্মক্ষমতা এবং উচ্চ নির্ভরযোগ্যতার সুবিধা রয়েছে। এটি সর্বাধিক ব্যবহৃত আরএফ সংযোগকারীগুলির মধ্যে একটি। এটি মাইক্রোওয়েভ যোগাযোগ, মহাকাশ, অস্ত্র সিস্টেম, মাইক্রোওয়েভ পরিমাপ সরঞ্জাম এবং অন্যান্য ক্ষেত্রে ব্যাপকভাবে ব্যবহৃত হয়৷

পরামিতি:

প্রধান প্রযুক্তিগত বিশেষ উল্লেখ:
◆ চরিত্রগত প্রতিবন্ধকতা: 50Ω
◆ ফ্রিকোয়েন্সি রেঞ্জ: DC–26.5GHz
◆ অন্তরণ প্রতিরোধের: ≥5000MΩ
◆ অস্তরক প্রতিরোধী ভোল্টেজ: 1000V(rms)
◆ ভোল্টেজ স্ট্যান্ডিং ওয়েভ রেশিও (VSWR): ≤1.25
◆ সঙ্গম চক্র: 500 বার

খোঁজখবর নিন
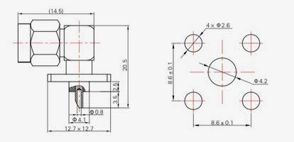
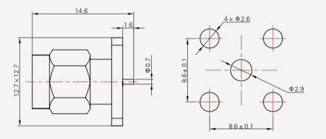
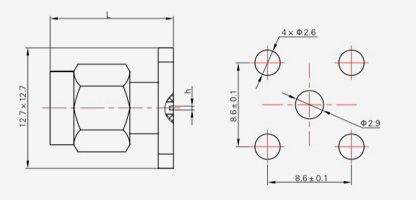
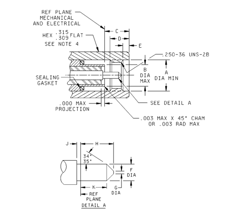
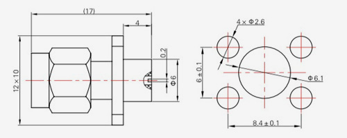
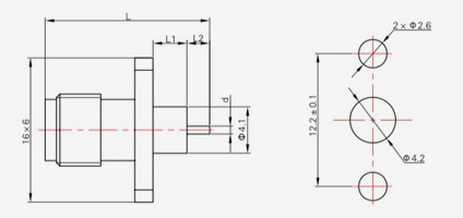
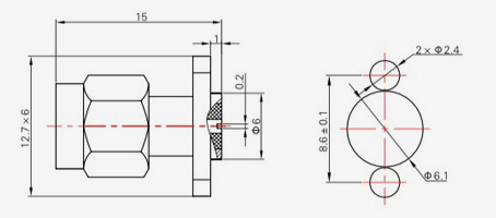
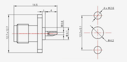
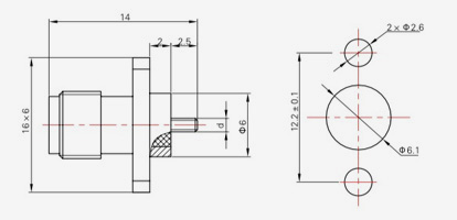
  • Sএমক পুরুষ / প্লাগ সংযোগকারী ইন্টারফেস মাত্রা

আবছা।
লে.
ইঞ্চি(মিমি)
মিন. সর্বোচ্চ
.255(6.48) ------
------ .1808(4.59)
------ .135(3.43)
ডি .130(3.30) ------
.015(0.38) .045(1.14)
.0355(0.90) .0370(0.94)
জি ------ .012(0.30)
এইচ ------ .100(2.54)
জে .000(0.00) ------
কে .050(1.27) ------

নোট:
1. মাত্রা ইঞ্চি হয়.
2. মেট্রিক সমতুল্য শুধুমাত্র তথ্যের জন্য দেওয়া হয়।
3. সংযোগকারী ইন্টারফেস (মিলনের পরে) ধুলো এবং আর্দ্রতা থেকে মুক্ত রাখা হবে।
4. কাপলিং বাদামের পুরো দৈর্ঘ্য জুড়ে প্রসারিত হতে পারে।



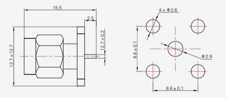
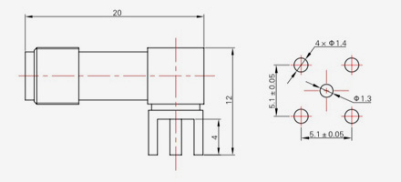
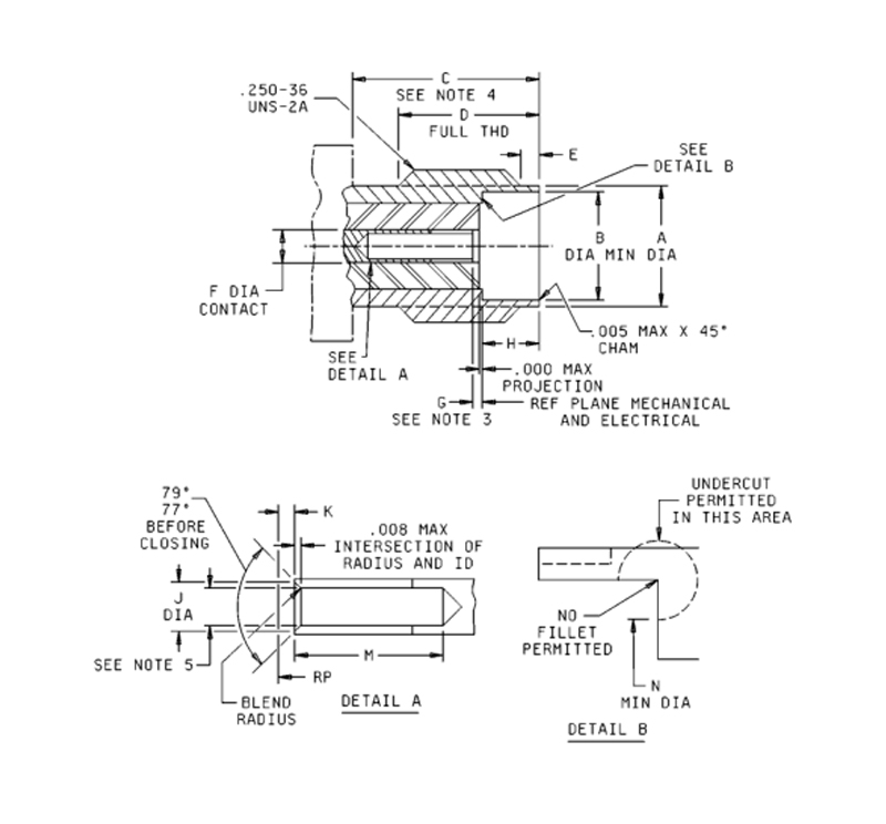
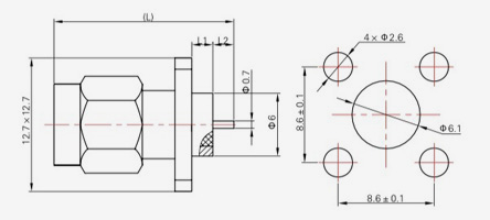
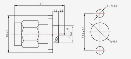
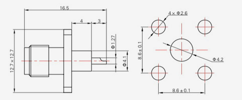
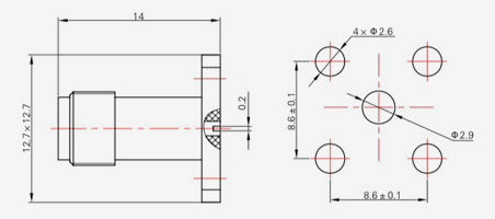
  • SMA মহিলা / জ্যাক সংযোগকারী ইন্টারফেস মাত্রা

আবছা।
লে.
ইঞ্চি (মিমি)
মিন. সর্বোচ্চ
.208 (5.28) .216(5.49)
.1810(4.60) ------
.218(5.54) ------
ডি .170(4.32) ------
0.15(0.38) .045(1.14)
.049(1.24) .051(1.30)
জি .000(0.00) .010(0.25)
এইচ .074(1.88) .078(1.98)
জে .043(1.09) .047(1.19)
কে .000(0.00) .010(0.25)
M .105(2.67) ------
এন .168 (4.27) ------

নোট:
1. মাত্রা ইঞ্চি হয়.
2. মেট্রিক সমতুল্য শুধুমাত্র তথ্যের জন্য।
3. একটি .030 ইঞ্চি (0.76) সর্বাধিক যোগাযোগ মন্দা ব্যবহার করে পূর্বে যোগ্য অংশগুলি সরকারী ব্যবহারের জন্য গ্রহণযোগ্য নয়। রক্ষণাবেক্ষণ এবং অংশ প্রতিস্থাপনের সময় .030 মন্দা নকশা ব্যবহার করা হচ্ছে কিনা তা নির্ধারণ করতে সতর্কতা অবলম্বন করা উচিত।
4. সঙ্গম সংযোগকারী কাপলিং বাদাম জন্য ক্লিয়ারেন্স.
5. VSWR পূরণের মাত্রা, মিলনের বৈশিষ্ট্য এবং সংযোগকারীর স্থায়িত্ব
.0355/-.0370 ইঞ্চি ব্যাসের পিন।

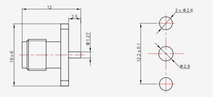
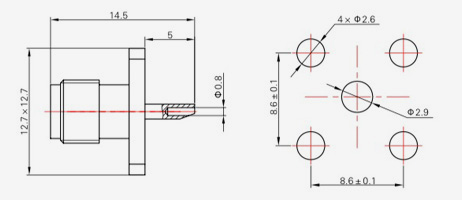
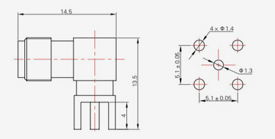
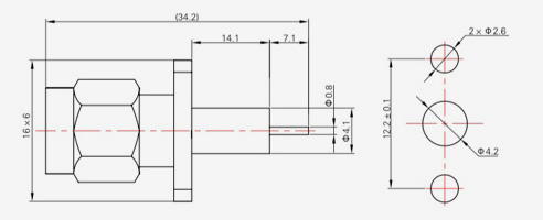
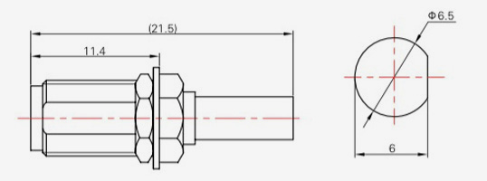
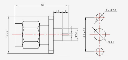
SMA SERIES
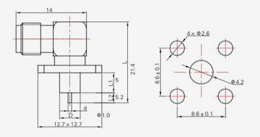
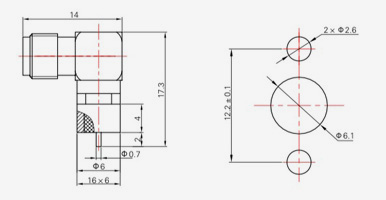
  • SMA-JB1
    SMA-JB1
    মডেল তারের মডেল d এল
    SMA-JB1 SFT-50-1,670-047 Φ1.2 12.5
    SMA-JB2 SFT-50-2,670-086 Φ2.2 11.2
    SMA-JB3 SFT-50-3,670-141 Ф3.6 12.0
  • SMA-JB3A
    SMA-JB3A
    মডেল তারের মডেল
    SMA-JB3A SFT-50-3,670-141
  • SMA-JB3E
    SMA-JB3E
    মডেল তারের মডেল
    SMA-JB3E SFT-50-3,670-141
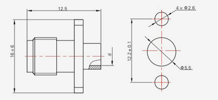
  • SMA-JWB2
    SMA-JWB2
    মডেল তারের মডেল d এল
    SMA-JWB2 SFT-50-2,670-086 Φ2.2 15.6
    SMA-JWB3 SFT-50-3,670-141 Φ3.6 16
  • SMA-KB2
    SMA-KB2
    মডেল তারের মডেল d
    SMA-KB2 SFT-50-2,670-086 Φ2.2
    SMA-KB3 SFT-50-3,670-141 Φ3.6
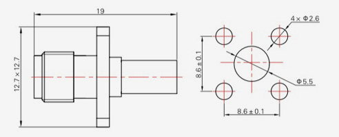
  • SMA-J5
    SMA-J5
    মডেল তারের মডেল
    SMA-J5 SYV-50-3,RG142,
    SFCJ-50-3-51
    SMA-J5C
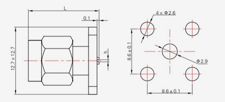
  • SMA-(K)5
    SMA-(K)5
    মডেল তারের মডেল
    SMA-(K)5 SYV-50-3,RG142,
    SFCJ-50-3-51
  • SMA-J5.3
    SMA-J5.3
    মডেল তারের মডেল
    SMA-J5.3 32055,205, GNB-415
  • SMA-JW2
    SMA-JW2
    মডেল তারের মডেল
    SMA-JW2 SYV-50-1
    SMA-JW3 SYV-50-2-1, RG316
    SMA-JW4 SYV-50-2-2
    SMA-JW5 SYV-50-3,RG142,SFCJ-50-3-51
  • SMA-JW5-1
    SMA-JW5-1
    মডেল তারের মডেল
    SMA-JW5-1 SYV-50-3,RG142,SFCJ-50-3-51
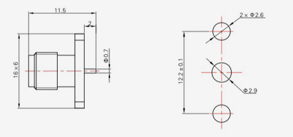
  • SMA-KFB2
    SMA-KFB2
    মডেল তারের মডেল d
    SMA-KFB2 SFT-50-2,670-086 Φ2.2
    SMA-KFB3 SFT-50-3,670-141 Φ3.6
  • SMA-KFB2-1
    SMA-KFB2-1
    মডেল তারের মডেল d
    SMA-KFB2-1 SFT-50-2,670-086 Φ2.2
    SMA-KFB3-1 SFT-50-3,670-141 Φ3.6
  • SMA-KYB2
    SMA-KYB2
    মডেল তারের মডেল d
    SMA-KYB2 SFT-50-2,670-086 Φ2.2
    SMA-KYB3A SFT-50-3,670-141 Φ3.6
  • SMA-KYB3
    SMA-KYB3
    মডেল তারের মডেল d
    SMA-KYB3 SFT-50-3,670-141 Φ3.6
  • SMA-J2
    SMA-J2
    মডেল তারের মডেল
    SMA-J2 SYV-50-1
    SMA-J3 SYV-50-2-1, RG316
    SMA-J4 SYV-50-2-2
  • SMA-K2
    SMA-K2
    মডেল তারের মডেল
    SMA-K2 SYV-50-1
    SMA-K3 SYV-50-2-1,RG316
  • SMA-K5
    SMA-K5
    মডেল তারের মডেল
    SMA-K5 SYV-50-3,RG142,SFCJ-50-3-51
    SMA-K5C
  • SMA-(J)5
    SMA-(J)5
    মডেল তারের মডেল
    SMA-(J)5 SYV-50-3,RG142,SFCJ-50-3-51
  • SMA-KF2
    SMA-KF2
    মডেল তারের মডেল
    SMA-KF2 SYV-50-1
    SMA-KF3 SYV-50-2-1,RG316
  • SMA-KY2
    SMA-KY2
    মডেল তারের মডেল
    SMA-KY2 SYV-50-1
    SMA-KY3 SYV-50-2-1, RG316
    SMA-KY5 SYV-50-3,RG142,SFCJ-50-3-51
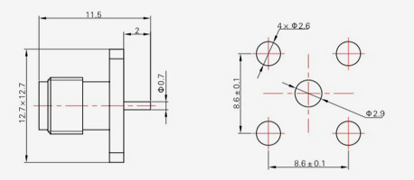
  • SMA-JFD1
    SMA-JFD1
    মডেল এল এল1 এল2
    SMA-JFD1 18 3 2
    SMA-JFD30 18 3 1.5
    SMA-JFD95 19 4 2
  • SMA-JFD2
    SMA-JFD2
    মডেল এল এল1 এল2 d
    SMA-JFD2 18 3 2 Φ0.7
    SMA-JFD31 18.5 3 2.5 Φ1.0
    SMA-JFD59 25 3 9 Φ1.0
  • SMA-JFD4
    SMA-JFD4
    মডেল এল এল1 এল2 d
    SMA-JFD4 32 8 11 Φ1.27
    SMA-JFD5 18 3 2 Φ1.0
    SMA-JFD13 25 8 4 Φ1.27
    SMA-JFD58 29.2 15 2 Φ1.27
  • SMA-JFD6
    SMA-JFD6
    মডেল এল এল1 এল2 d
    SMA-JFD6 32 8 11 Φ1.27
    SMA-JFD7 25 8 4 Φ1.27
    SMA-JFD8 31 15 3 Φ1.27
    SMA-JFD9 18.2 3 2 Φ1.27
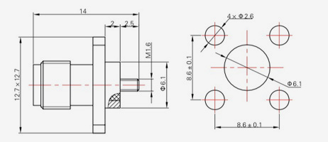
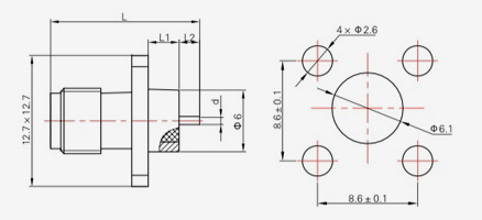
  • SMA-KFD3
    SMA-KFD3
    মডেল এল এল1 এল2 d
    SMA-KFD3 27.5 15 3 Φ1.27
    SMA-KFD4 33.5 21 3 Φ1.27
    SMA-KFD8 18.5 6 3 Φ1.27
    SMA-KFD9 24.5 12 3 Φ1.27
    SMA-KFD16 20.5 8 3 Φ1.27
    SMA-KFD21 15.5 2 4 Φ1.27
    SMA-KFD24 22.5 10 3 Φ1.27
    SMA-KFD33 17.5 5 3 Φ1.7
  • SMA-KFD3
    SMA-KFD3
    মডেল এল এল1 এল2 d
    SMA-KFD46 16.5 4 3 Φ1.27
    SMA-KFD52 16.5 2 5 Φ1.0
    SMA-KFD53 20.5 6 5 Φ1.0
    SMA-KFD87 15 3 2.5 Φ0.7
    SMA-KFD133 15.5 4 2 Φ0.7
    SMA-KFD146 22.3 7 5 Φ1.0
    SMA-KFD147 18.5 4 5 Φ1.0
  • SMA-KFD5
    SMA-KFD5
    মডেল এল এল1 এল2 d
    SMA-KFD5 15.5 4 2 Φ1.27
    SMA-KFD6 22.5 8 5 Φ0.7
    SMA-KFD7 20.5 8 3 Φ1.27
    SMA-KFD18 16 4 1.5 Φ0.5
    SMA-KFD20 18.5 6 3 Φ1.27
    SMA-KFD22 27.5 15 3 Φ1.27
    SMA-KFD23 14.1 4 0.6 Φ0.4
    SMA-KFD30 33.5 21 3 Φ1.27
    SMA-KFD43 21.5 4 8 Φ1.27
    SMA-KFD47 14 2 2.5 Φ1
  • SMA-KFD5
    SMA-KFD5
    মডেল এল এল1 এল2 d
    SMA-KFD61 16.5 4.5 2 Φ1.27
    SMA-KFD62 17 3.5 4 Φ1.27
    SMA-KFD63 19.5 3.5 4 Φ1.27
    SMA-KFD64 18 3.5 5 Φ1.27
    SMA-KFD65 19 4.5 5 Φ1.27
    SMA-KFD66 20.5 4.5 6.5 Φ1.27
    SMA-KFD71 15.5 4 2 Φ0.7
    SMA-KFD122 21.5 6 6 Ф1.2
    SMA-KFD123 14.5 2 3 Φ1.2
    SMA-KFD144 19.5 9 1 Φ1.0
    SMA-KFD177 20.5 8 3 Φ1.27
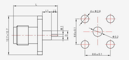
  • SMA-KFD11
    SMA-KFD11
    মডেল এল এল1 এল2 d
    SMA-KFD11 14.5 3 2 Φ0.5
    SMA-KFD29 16.5 5 2 Φ0.7
    SMA-KFD75 22.5 4 9 Φ0.7
    SMA-KFD76 14.5 3 2 Φ0.7
    SMA-KFD79 27.5 2 16 Φ1.0
    SMA-KFD95 15.5 4 2 Φ0.7
    SMA-KFD126 17.7 3 5.2 Φ1.0
    SMA-KFD127 22.5 3 10 Φ1.0
    SMA-KFD132 15.5 4 2 Φ1.0
    SMA-KFD140 18.5 5 4 Φ1.0
  • SMA-KFD31
    SMA-KFD31
    মডেল এল এল1 এল2 d
    SMA-KFD31 15 3 2.5 Φ1.0
    SMA-KFD32 21.5 3 9 Φ1.0
    SMA-KFD34 17.5 3 5 Φ1
    SMA-KFD80 16.5 3 4 Φ0.7
    SMA-KFD100 16.5 5 2 Φ0.7
    SMA-KFD101 15.5 4 2 Φ0.7
    SMA-KFD102 14.5 3 2 Φ0.7
    SMA-KFD130 21.5 3 9 Φ0.7
    SMA-KFD131 15.5 4 2 Φ1.0
    SMA-KFD134 17 5 2.5 Φ0.7
    SMA-KFD136 19.5 4 6 Φ1
    SMA-KFD163 18.7 3.2 5 Φ1.0
  • SMA-KFD81
    SMA-KFD81
    মডেল d
    SMA-KFD81 এম 1
    SMA-KFD109 এম 1.6
  • SMA-KFD119
    SMA-KFD119
    মডেল এল এল1 এল2 d
    SMA-KFD119 17 6.5 1 Φ3.0
    SMA-KFD121 18 6.5 2 Φ3.0
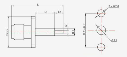
    SMA-KFD141 17.5 4 4 Φ3.2
    SMA-KFD142 18.3 7.8 1 Φ3.0
    SMA-KFD149 17.5 3 5 Φ3.0
  • SMA-KWFD3
    SMA-KWFD3
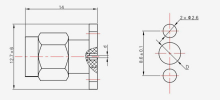
    মডেল এল এল1 এল2 d ডি
    SMA-KWFD3 26.7 11 4.5 Φ1.27 Φ4.1
    SMA-KWFD4 24.2 8 5 Φ1.0 Φ3.2
    SMA-KWFD5 24.2 8 5 Φ0.7 Φ4.1
    SMA-KWFD6 21.2 5 5 Φ0.7 Φ4.1
    SMA-KWFD7 24.2 3 10 Φ0.7 Φ4.1
    SMA-KWFD8 21.3 5 5 Φ0.7 Φ4.1
    SMA-KWFD9 16.2 3 2 Φ0.7 Φ4.1
    SMA-KWFD12 15.2 2 2 Φ0.7 Φ4.1
    SMA-KWFD49 25.2 5 9 Φ0.17 Φ4.1
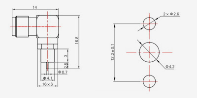
  • SMA-JFD11
    SMA-JFD11
    মডেল এল এল1
    SMA-JFD11 14 1 0.2
    SMA-JFD17 16 3 0.4
    SMA-JFD18 14 1 0.3
    SMA-JFD19 14 1 0.4
    SMA-JFD20 14 1 0.5
    SMA-JFD24 15 2 0.4
  • SMA-JFD12
    SMA-JFD12
    মডেল এল
    SMA-JFD12 13.1 0.4
    SMA-JFD14 13.1 0.55
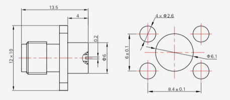
  • SMA-KFD145
    SMA-KFD145
    মডেল এল এল1 এল2
    SMA-KFD145 22.3 7.8 5
    SMA-KFD151 21 2.5 9
    SMA-KFD161 20.5 6.5 5
    SMA-KFD162 17.5 3 5
  • SMA-KWF
    SMA-KWF
    মডেল এল এল1
    SMA-KWF 14.6 3.3
    SMA-KWFD10 13.3 2
  • SMA-JFD16
    SMA-JFD16
    মডেল
    SMA-JFD16 0.2
    SMA-JFD21 0.3
    SMA-JFD22 0.4
    SMA-JFD23 0.5
  • SMA-KFD26
    SMA-KFD26
    মডেল
    SMA-KFD26 0.2
    SMA-KFD27 0.4
    SMA-KFD110 0.3
    SMA-KFD111 0.5
  • SMA-KFD112
    SMA-KFD112
    মডেল
    SMA-KFD112 0.2
    SMA-KFD113 0.3
    SMA-KFD114 0.4
    SMA-KFD115 0.5
  • SMA-KFD10
    SMA-KFD10
    মডেল এল এল1 t
    SMA-KFD10 15.8 3 0.5×0.2
    SMA-KFD14 16.5 4 0.5×0.2
    SMA-KFD35 14.5 2 1.27×0.2
  • SMA-KFD13
    SMA-KFD13
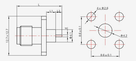
    মডেল এল এল1 t d ডি
    SMA-KFD13 16 4 0.5×0.2 Φ4.1 Φ4.2
    SMA-KFD14 15.2 3.2 0.5×0.2 Φ4.1 Φ4.2
    SMA-KFD35 15 3 1.27×0.2 Φ4.1 Φ4.2
    SMA-KFD45 14.4 2.4 0.5×0.2 Φ4.1 Φ4.2
    SMA-KFD68 15.2 3.2 0.5×0.2 Φ2.1 Φ2.2
    SMA-KFD73 16 4 1.27×0.2 Φ4.1 Φ4.2
  • SMA-KFD39
    SMA-KFD39
    মডেল t
    SMA-KFD39 0.5×0.2
    SMA-KFD149 1.27×0.2
  • SMA-JFD40
    SMA-JFD40
    মডেল d ডি
    SMA-JFD40 Φ0.5 Φ3.0
    SMA-JFD41 Φ0.45 Φ2.8
    SMA-JFD42 Φ0.38 Φ2.5
    SMA-JFD44 Φ0.3 Φ2.0
  • SMA-JFD48
    SMA-JFD48
    মডেল d ডি
    SMA-JFD48 Φ0.5 Φ3.0
    SMA-JFD55 Φ0.45 Φ2.8
    SMA-JFD56 Φ0.38 Φ2.5
    SMA-JFD57 Φ0.3 Φ2.0
  • SMA-KFD40
    SMA-KFD40
    মডেল d ডি
    SMA-KFD40 Ф0.5 Φ3.0
    SMA-KFD41 Φ0.45 Φ2.8
    SMA-KFD42 Φ0.38 Φ2.5
    SMA-KFD44 Φ0.3 Φ2.0
  • SMA-KFD48
    SMA-KFD48
    মডেল d ডি
    SMA-KFD48 Φ0.5 Φ3.0
    SMA-KFD55 Φ0.45 Φ2.8
    SMA-KFD56 Φ0.38 Φ2.5
    SMA-KFD57 Φ0.3 Φ2.0
    SMA-KFD152 Φ0.4 Φ2.8
  • SMA-KHD
    SMA-KHD
    মডেল এল
    SMA-KHD 13.5
    SMA-KHD10 18.5
  • SMA-KHD1
    SMA-KHD1
    মডেল d
    SMA-KHD1 1.2 Φ1.27
    SMA-KHD2 1.5 Φ1.27
    SMA-KHD3 2 Φ1.27
    SMA-KHD4 0.5 Φ1.27
    SMA-KHD5 0.8 Φ1.27
    SMA-KHD6 1 Φ1.27
    SMA-KHD8 1.6 Φ0.8
    SMA-KHD9 1.6 Φ1.27
    SMA-KHD11 1 Φ0.5
  • SMA-JWF
    SMA-JWF
  • SMA-KF1
    SMA-KF1
  • SMA-KFD17
    SMA-KFD17
  • SMA-KFD150
    SMA-KFD150
  • SMA-KWF1
    SMA-KWF1
  • SMA-KYD
    SMA-KYD
  • SMA-JFD3
    SMA-JFD3
  • SMA-JFD61
    SMA-JFD61
  • SMA-KFD19
    SMA-KFD19
  • SMA-KFD36G
    SMA-KFD36G
  • SMA-KFD51
    SMA-KFD51
  • SMA-KFD125
    SMA-KFD125
  • SMA-KFD135
    SMA-KFD135
  • SMA-KWFD2-1
    SMA-KWFD2-1
  • SMA-KWFD2-2
    SMA-KWFD2-2
  • SMA-KFD154
    SMA-KFD154
  • SMA-KFD158
    SMA-KFD158
  • SMA-KWFD2
    SMA-KWFD2
  • SMA-JFD26
    SMA-JFD26
  • SMA-JFD124
    SMA-JFD124
  • SMA-KFD124
    SMA-KFD124
  • SMA-KFD143
    SMA-KFD143
  • SMA-JFD15
    SMA-JFD15
  • SMA-JFD25
    SMA-JFD25
  • SMA-JFD54
    SMA-JFD54
  • SMA-KFD54
    SMA-KFD54
  • SMA-KFD78
    SMA-KFD78
  • এসএমএ-জেএইচডি
    এসএমএ-জেএইচডি
  • SMA-KHD7
    SMA-KHD7
  • SMA-KWHD
    SMA-KWHD
  • SMA-KWHD4
    SMA-KWHD4
  • SMA-KWHD5
    SMA-KWHD5

যোগাযোগ রাখুন

[#ইনপুট#]
জমা দিন
আমাদের সম্পর্কে
নিংবো হ্যানসন কমিউনিকেশন টেকনোলজি কোং, লি.
নিংবো হ্যানসন কমিউনিকেশন টেকনোলজি কোং, লি.
Ningbo Hanson Communication Technology Co., Ltd. is China SMA RF Coaxial Connector Supplier and Custom SMA RF Coaxial Connector Company. We are a manufacturer specializing in the production, processing, and trade of communication components, with more than 30 years of experience in RF coaxial connectors, adapters, and cable assemblies. কোম্পানিটি এখন তার নিজস্ব মেশিনিং ওয়ার্কশপ, ইলেক্ট্রোপ্লেটিং ওয়ার্কশপ, অ্যাসেম্বলি ওয়ার্কশপ এবং স্থিতিশীল এবং নির্ভরযোগ্য সরবরাহকারীদের একটি গ্রুপ তৈরি করেছে। কোম্পানির উদ্দেশ্য উচ্চ মানের পণ্য সঙ্গে গ্রাহকদের প্রদান করা হয়. প্রধান পণ্য হল আরএফ কোঅক্সিয়াল সংযোগকারী, অ্যাডাপ্টার, উচ্চ-ফ্রিকোয়েন্সি তারের সমাবেশ এবং কম ইন্টারমডুলেশন তারের সমাবেশ। উপরন্তু, কোম্পানি পণ্যের জন্য গ্রাহকদের বিশেষ প্রয়োজনীয়তা পূরণের জন্য কাস্টমাইজড চাহিদা সহ গ্রাহকদের জন্য পরিষেবা প্রদান করতে পারে। কোম্পানির পণ্যগুলি মহাকাশ, যোগাযোগ বেস স্টেশন, চিকিৎসা সরঞ্জাম এবং অন্যান্য উচ্চ প্রযুক্তির ক্ষেত্রে ব্যাপকভাবে ব্যবহৃত হয়। এন্টারপ্রাইজ সংস্কার, উদ্ভাবন, উন্নয়ন এবং বৃদ্ধির সময়ে, কোম্পানিটি ISO9001 আন্তর্জাতিক মান ব্যবস্থাপনা সিস্টেমে যোগদানের উদ্যোগ নেয় এবং নতুন এবং পুরানো গ্রাহকদের আরও সন্তোষজনক পণ্য এবং পরিষেবা প্রদানের জন্য ক্রমাগত ব্যবস্থাপনা স্তর উন্নত করে।
সর্বশেষ খবর
ব্যবসার সুযোগ খুঁজছেন?

আজ একটি কল করার জন্য অনুরোধ