OEM N type RF Coaxial Connector Supplier

নিংবো হ্যানসন কমিউনিকেশন টেকনোলজি কোং, লি. বাড়ি / পণ্য / আরএফ কোঅক্সিয়াল সংযোগকারী / এন-টাইপ আরএফ কোক্সিয়াল সংযোগকারী

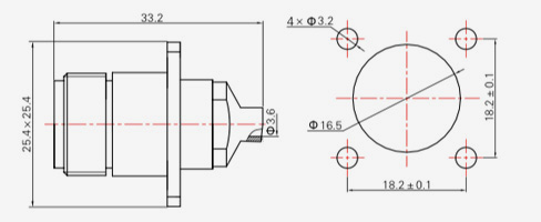
এন-টাইপ আরএফ কোক্সিয়াল সংযোগকারী

বর্ণনা:

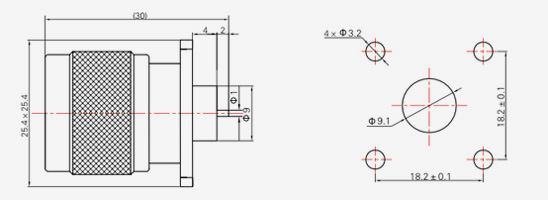
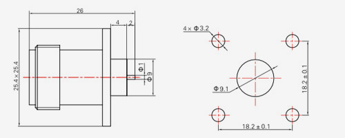
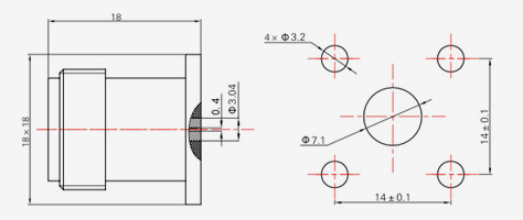
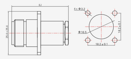
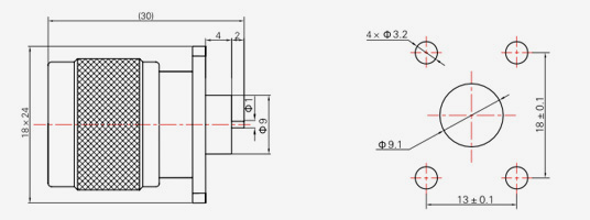
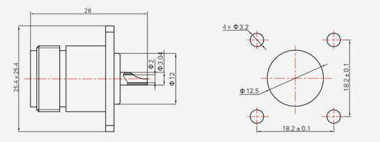
এন-টাইপ সিরিজ আরএফ কোঅক্সিয়াল কানেক্টর হল একটি আরএফ কোঅক্সিয়াল কানেক্টর যার একটি থ্রেডেড কানেকশন মেকানিজম ইউএস মিলিটারি স্ট্যান্ডার্ড MIL-C-39012 অনুযায়ী তৈরি এবং তৈরি করা হয়েছে। এটির প্রশস্ত ব্যান্ডউইথ, ভাল শক প্রতিরোধ, উচ্চ নির্ভরযোগ্যতা এবং চমৎকার কর্মক্ষমতার বৈশিষ্ট্য রয়েছে এবং মাইক্রোওয়েভ যোগাযোগ এবং পরিমাপ সিস্টেমে ব্যাপকভাবে ব্যবহৃত হয়। আমাদের কারখানার দ্বারা উত্পাদিত এন-টাইপ সিরিজ আরএফ কোএক্সিয়াল সংযোগকারীর বৈশিষ্ট্যগত প্রতিবন্ধকতা দুটি প্রকারে বিভক্ত: 50Ω এবং 75Ω।

পরামিতি:

প্রধান প্রযুক্তিগত বিশেষ উল্লেখ:
◆ চরিত্রগত প্রতিবন্ধকতা: 50Ω/75Ω
◆ ফ্রিকোয়েন্সি রেঞ্জ: DC-18GHz(50Ω)/DC-3GHz(75Ω)
◆ অন্তরণ প্রতিরোধের: ≥5000MΩ
◆ অস্তরক প্রতিরোধী ভোল্টেজ: 1500V(rms)
◆ ভোল্টেজ স্ট্যান্ডিং ওয়েভ রেশিও (VSWR): ≤1.30
◆ সঙ্গম চক্র: 500 বার

খোঁজখবর নিন

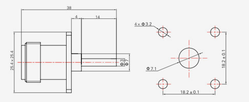
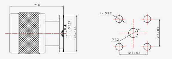
আবছা
লে
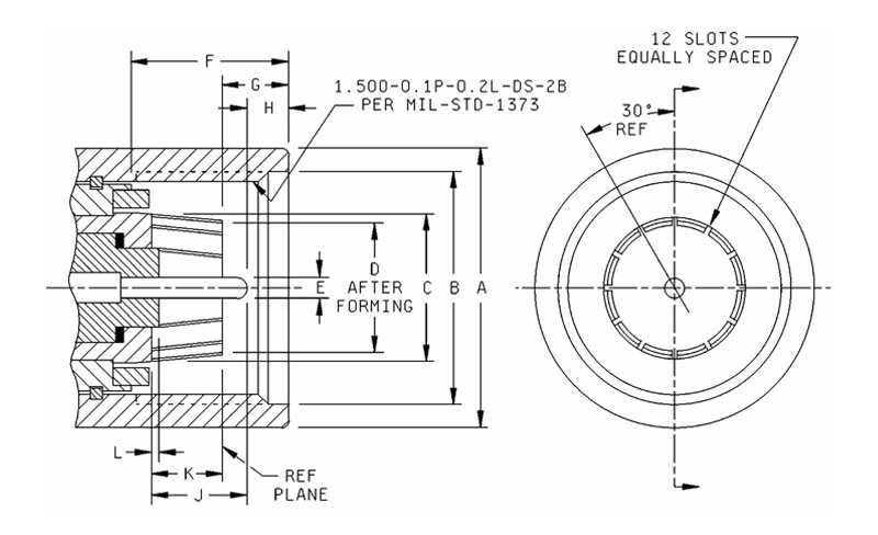
ইঞ্চি (মিমি)
মিন. সর্বোচ্চ
.336 (8.53) .344 (8.74)
.316 (8.03) .320 (8.13)
.356 (9.04) .362 (9.19)
ডি .187 (4.75) .207 (5.26)
------- .627 (15.93)
.119 (3.02) .124 (3.15)
জি .422 (10.72) -------
এইচ .172 (4.37) .220 (5.59)
জে .047 (1.19) .077 (1.96)
কে .047 (1.19) .077 (1.96)
এল .187 (4.75) .207 (5.26)
এন .210 (5.33) -------

নোট:
1. এই ইন্টারফেসটি নির্দিষ্ট করা গেজের প্রয়োজনীয়তা পূরণ করবে
এমIএল-পৃআরচ-39o12/2।
2. সঙ্গম সংযোগকারী কাপলিং বাদাম জন্য ক্লিয়ারেন্স.
3. VSwR পূরণ করতে, মিলনের বৈশিষ্ট্য, যোগাযোগ প্রতিরোধ এবং
a.063/.066 ব্যাস পিনের সাথে মিলিত হলে সংযোগকারীর স্থায়িত্ব।

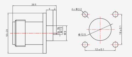
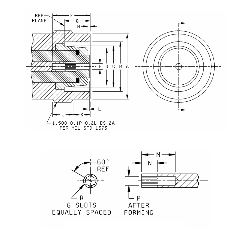
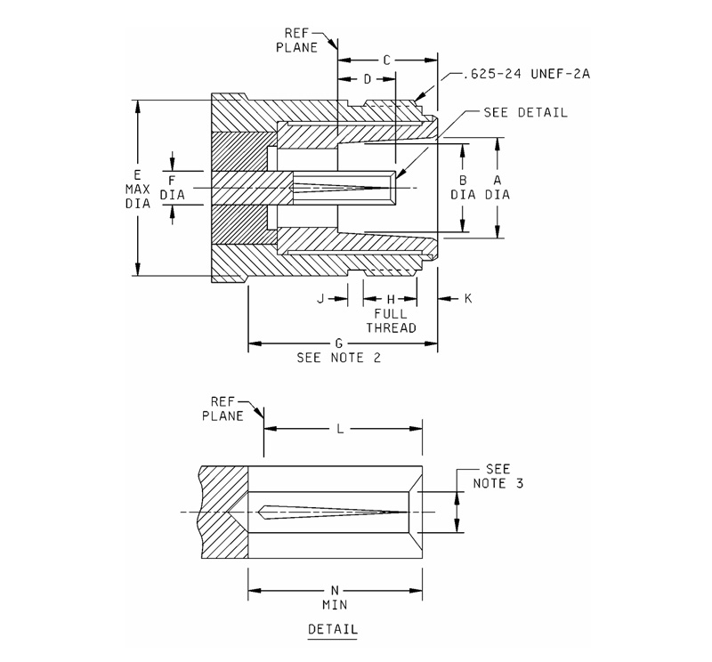
আবছা
লে
ইঞ্চি (মিমি)
মিন. সর্বোচ্চ
1.740 (44.20) 1.760 (44.70)
1.537 (39.04) 1.543 (39.19)
1.060 (26.92) 1.064 (27.03)
ডি .964 (24.49) .974 (24.74)
.194 (4.93) .196 (4.98)
.836 (21.23) .856 (21.74)
জি .372 (9.45) .392 (9.96)
এইচ .271 (6.88) .291 (7.39)
জে 551 (14.00) .571 (14.50)
কে .370 (9.40) .380 (9.65)
এল .001 (0.03) .013 (0.33)

নোট:
1. এই ইন্টারফেসটি নির্দিষ্ট করা গেজের প্রয়োজনীয়তা পূরণ করবে MIL-PRF-39012/44.

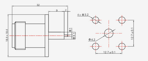
আবছা
লে
ইঞ্চি (মিমি)
মিন. সর্বোচ্চ
1.404 (35.66) 1.408 (35.76)
1.100 (27.94) 1.120 (28.45)
1.998 (50.75) 1.002 (25.45)
ডি 936 (23.77) .940 (23.88)
.191 (4.85) .195 (4.95)
.763 (19.38) .783 (19.89)
জি .465 (11.81) .485 (12.32)
এইচ .062 (1.57) রেফারেন্স
জে .302 (7.67) .322 (8.18)
কে .302 (7.67) .322 (8.18)
এল .001 (0.03) .013 (0.33)
M .490 (12.45) .510 (12.95)
এন .240 (6.10) ,260 (6.60)
P .187 (4.75) .189 (4.80)
R .014 (0.36) .018 (0.46)

নোট:
1. এই ইন্টারফেসটি নির্দিষ্ট করা গেজের প্রয়োজনীয়তা পূরণ করবে MIL-PRF-39012/45.

N SERIES
  • N-JB2
    N-JB2
    মডেল তারের ধরন d
    N-JB2 SFT-50-2,670-086 Φ2.2
    N-JB3 SFT-50-3,670-141 Ф3.6
  • N-JB3-1
    N-JB3-1
    মডেল তারের ধরন এল
    N-JB3-1 SFT-50-3,670-141 17.6
    N-JB3A-1 SFT-50-3,670-141 16.5
  • N-KB3
    N-KB3
    মডেল তারের ধরন
    N-KB3 SFT-50-3,670-141
  • N-KFB3
    N-KFB3
    মডেল তারের ধরন
    N-KFB3 SFT-50-3,670-141
  • N-KYB3
    N-KYB3
    মডেল তারের ধরন
    N-KYB3 SFT-50-3,670-141
  • N-J3
    N-J3
    মডেল তারের ধরন
    N-J3 SYV-50-2-1, RG316
    N-J4 SYV-50-2-2
  • N-J5
    N-J5
    মডেল তারের ধরন এল
    N-J5 SYV-50-3,RG142, SFCJ-50-3-51 33
    N-J5C SYV-50-3,RG142, SFCJ-50-3-51 33
    N-J7 SYV-50-5-1, SFCJ-50-5-51 36
    N-J10 SYV-50-7-1, SYV-50-7-2, SFCJ-50-7-51 36
  • N-J5.3
    N-J5.3
    মডেল তারের ধরন
    N-J5.3 32055,205, GNB415
  • N-J311
    N-J311
    মডেল তারের ধরন
    N-J311 FFB311A
  • N-J10-1
    N-J10-1
    মডেল তারের ধরন
    N-J10-1 SFCJ-50-7-51
  • N-JW5
    N-JW5
    মডেল তারের ধরন
    N-JW5 SFCJ-50-3-51, SYV-50-3-4, RG142
    N-JW7 SFCJ-50-5-51, SYV-50-5-1
    N-JW10 SFCJ-50-7-51, SYV-50-7-2
  • N-JW8A
    N-JW8A
    মডেল তারের ধরন
    N-JW8A FFB311A, SYV-50-5
    N-JW12A SYV-75-3
    N-JW13A SYV-75-5
  • N-K3
    N-K3
    মডেল তারের ধরন
    N-K3 SYV-50-2-1,RG316
  • N-K5
    N-K5
    মডেল তারের ধরন এল
    N-K5 SYV-50-3,RG142, SFCJ-50-3-51 36
    N-K7 SYV-50-5-1, SFCJ-50-5-51 38
    N-K10 SYV-50-7-1, SFCJ-50-7-51 38
  • N-KF5
    N-KF5
    মডেল তারের ধরন এল
    N-KF5 SYV-50-3,RG142,SFCJ-50-3-51 36
    N-KF7 SYV-50-5-1, SFCJ-50-5-51 38
    N-KF10 SYV-50-7-1, SFCJ-50-7-51 38
  • N-KF3A
    N-KF3A
    মডেল তারের ধরন এল
    N-KF3A SYV-50-2-1, RG316 33
    N-KF5A SYV-50-3-4,RG142 42
  • N-KY3Y
    N-KY3Y
    মডেল তারের ধরন
    N-KY3Y SYV-50-2-1,RG316
  • এন-কেএফডি
    এন-কেএফডি
    মডেল এল এল1 এল2
    কেএফডি 26 4 2
    কেএফডি2 31 6 5
    কেএফডি15 30 6 4
    কেএফডি16 28.5 6 2.5
    কেএফডি17 28 6 2
    কেএফডি18 29 5 4
    কেএফডি19 29 4 5
    কেএফডি20 33 4 9
  • এন-কেএফ
    এন-কেএফ
  • N-JFD1
    N-JFD1
  • N-JFD2
    N-JFD2
  • N-JFD3
    N-JFD3
  • N-JFD23
    N-JFD23
  • N-KFD1
    N-KFD1
  • N-KFD7
    N-KFD7
  • N-KFD11
    N-KFD11
  • N-KFD50
    N-KFD50
  • এন-কেএফডি-জেড
    এন-কেএফডি-জেড
  • N-KFD9
    N-KFD9
  • N-KFD14
    N-KFD14

যোগাযোগ রাখুন

[#ইনপুট#]
জমা দিন
আমাদের সম্পর্কে
নিংবো হ্যানসন কমিউনিকেশন টেকনোলজি কোং, লি.
নিংবো হ্যানসন কমিউনিকেশন টেকনোলজি কোং, লি.
Ningbo Hanson Communication Technology Co., Ltd. is China N type RF Coaxial Connector Supplier and Custom N type RF Coaxial Connector Company. We are a manufacturer specializing in the production, processing, and trade of communication components, with more than 30 years of experience in RF coaxial connectors, adapters, and cable assemblies. কোম্পানিটি এখন তার নিজস্ব মেশিনিং ওয়ার্কশপ, ইলেক্ট্রোপ্লেটিং ওয়ার্কশপ, অ্যাসেম্বলি ওয়ার্কশপ এবং স্থিতিশীল এবং নির্ভরযোগ্য সরবরাহকারীদের একটি গ্রুপ তৈরি করেছে। কোম্পানির উদ্দেশ্য উচ্চ মানের পণ্য সঙ্গে গ্রাহকদের প্রদান করা হয়. প্রধান পণ্য হল আরএফ কোঅক্সিয়াল সংযোগকারী, অ্যাডাপ্টার, উচ্চ-ফ্রিকোয়েন্সি তারের সমাবেশ এবং কম ইন্টারমডুলেশন তারের সমাবেশ। উপরন্তু, কোম্পানি পণ্যের জন্য গ্রাহকদের বিশেষ প্রয়োজনীয়তা পূরণের জন্য কাস্টমাইজড চাহিদা সহ গ্রাহকদের জন্য পরিষেবা প্রদান করতে পারে। কোম্পানির পণ্যগুলি মহাকাশ, যোগাযোগ বেস স্টেশন, চিকিৎসা সরঞ্জাম এবং অন্যান্য উচ্চ প্রযুক্তির ক্ষেত্রে ব্যাপকভাবে ব্যবহৃত হয়। এন্টারপ্রাইজ সংস্কার, উদ্ভাবন, উন্নয়ন এবং বৃদ্ধির সময়ে, কোম্পানিটি ISO9001 আন্তর্জাতিক মান ব্যবস্থাপনা সিস্টেমে যোগদানের উদ্যোগ নেয় এবং নতুন এবং পুরানো গ্রাহকদের আরও সন্তোষজনক পণ্য এবং পরিষেবা প্রদানের জন্য ক্রমাগত ব্যবস্থাপনা স্তর উন্নত করে।
সর্বশেষ খবর
ব্যবসার সুযোগ খুঁজছেন?

আজ একটি কল করার জন্য অনুরোধ