OEM আরএফ গ্লাস ইনসুলেটর Supplier

নিংবো হ্যানসন কমিউনিকেশন টেকনোলজি কোং, লি. বাড়ি / পণ্য / Hermetically সিল সিরিজ / আরএফ গ্লাস ইনসুলেটর

আরএফ গ্লাস ইনসুলেটর

বর্ণনা:

গ্লাস ইনসুলেটরগুলি ভাল সিলিং কর্মক্ষমতা সহ একটি গ্লাস সিন্টারিং কাঠামো ব্যবহার করে। এগুলি মিলিমিটার তরঙ্গ সংযোগকারী যেমন SMA এবং 2.92 এর সাথে ব্যবহার করা যেতে পারে এবং সরাসরি PCB বোর্ড, টেমপ্লেট এবং টেমপ্লেট এবং উপাদানগুলির মধ্যে ব্যবহার করা যেতে পারে। এটি কাচ ব্যবহার করে (অস্তরক ধ্রুবক প্রায় 4.0) অন্তরক মাঝারি উপাদান হিসাবে, এবং ভিতরের এবং বাইরের কন্ডাক্টরগুলি কোভার সংকর উপাদান দিয়ে তৈরি। উচ্চ-তাপমাত্রা সিন্টারিংয়ের পরে, পৃষ্ঠটি সোনা দিয়ে নিকেল-ধাতুপট্টাবৃত হয়। গ্লাস ইনসুলেটরগুলির ছোট আকার, হালকা ওজন, বায়ুনিরোধকতা এবং উচ্চ নির্ভরযোগ্যতার সুবিধা রয়েছে। এগুলি বেশিরভাগ ক্ষেত্রে সিল করার প্রয়োজনীয়তা বা পণ্যের পরিমাণ এবং ওজনের প্রয়োজনীয়তার সাথে ব্যবহৃত হয়। তারা নিবিড় ইনস্টলেশনের জন্য উপযুক্ত। অভ্যন্তরীণ কন্ডাক্টর বিভিন্ন উপায়ে সংযুক্ত হতে পারে, যেমন প্লাগ-ইন, পৃষ্ঠ মাউন্টিং, ঢালাই এবং সোনার তারের বন্ধন৷

খোঁজখবর নিন

মৌলিক গঠন:
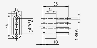
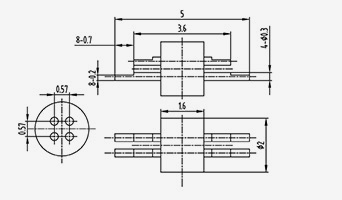
গ্লাস ইনসুলেটর সাধারণত তিনটি অংশ নিয়ে গঠিত: বাইরের পরিবাহী, কাচের মাঝারি এবং অভ্যন্তরীণ পরিবাহী, এবং এর মৌলিক গঠন নিম্নলিখিত চিত্রে দেখানো হয়েছে।

প্রযুক্তিগত বৈশিষ্ট্য এবং নির্ভরযোগ্যতা পরীক্ষা:

বৈদ্যুতিক বৈশিষ্ট্য
বৈশিষ্ট্যগত প্রতিবন্ধকতা 50Ω বা অন্য ফ্রিকোয়েন্সি রেঞ্জ DC~65GHz
অস্তরক প্রতিরোধক ভোল্টেজ ≥500V অন্তরণ প্রতিরোধের ≥5000M Ω
প্রতিরোধের সাথে যোগাযোগ করুন অভ্যন্তরীণ পরিবাহী≤3m Ω ভোল্টেজ VSWR (50Ω) ≤ 1.05 0.008f ( f: GHz)
বাইরের পরিবাহী ≤2m Ω RF সন্নিবেশ ক্ষতি (50Ω) ≤0.05 √ f (f: GHz)
উপাদান এবং যান্ত্রিক, পরিবেশগত বৈশিষ্ট্য
বাইরের কন্ডাক্টর অর্পণযোগ্য খাদ বায়ু ফুটো হার 1.01*10 -9 প.ম 3 /এস
অভ্যন্তরীণ কন্ডাক্টর ক্ষয়যোগ্য সংকর ধাতু অপারেটিং তাপমাত্রা -65 ~ 165
নিরোধক মাধ্যম গ্লাস

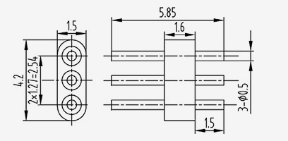
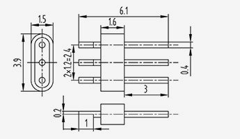
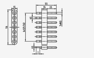
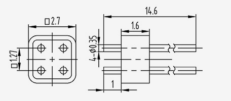
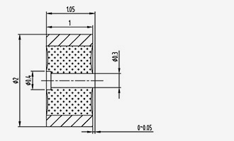
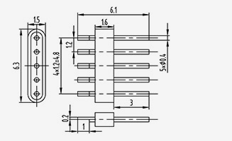
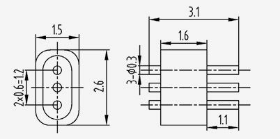
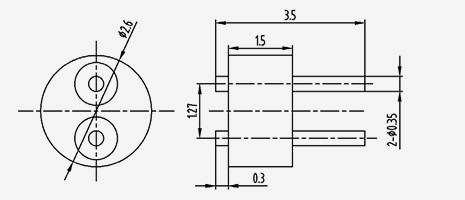
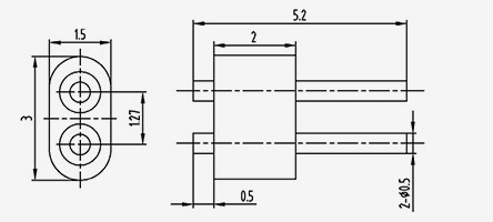
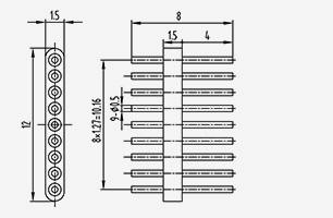
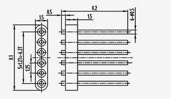
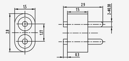
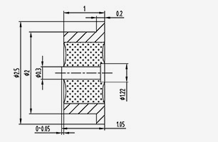
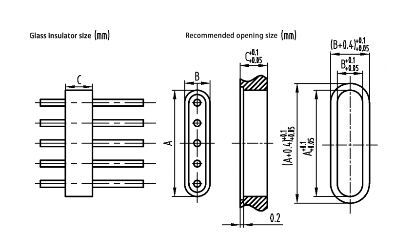
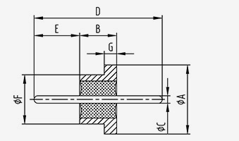
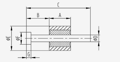
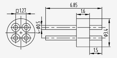
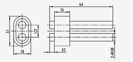
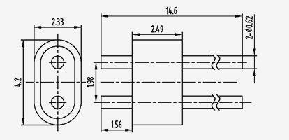
কাচ অন্তরক জন্য প্রস্তাবিত ইনস্টলেশন মাত্রা
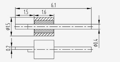
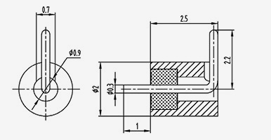
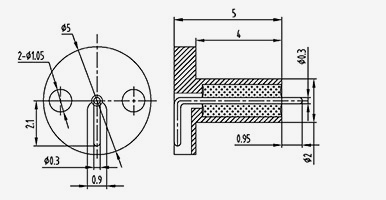
একক কোর গ্লাস ইনসুলেটরগুলির জন্য প্রস্তাবিত ইনস্টলেশন খোলার মাত্রা নীচে দেখানো হয়েছে:

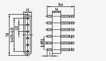
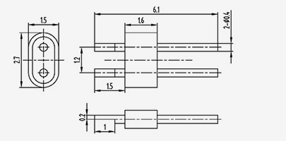
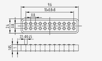
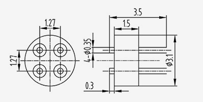
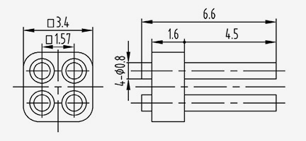
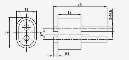
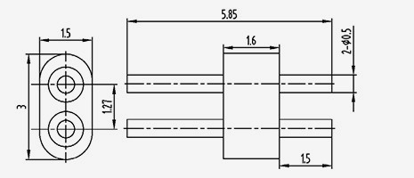
মাল্টি-কোর গ্লাস ইনসুলেটরগুলির জন্য প্রস্তাবিত মাউন্টিং খোলার মাত্রা নীচে দেখানো হয়েছে:

গ্লাস ইনসুলেটর বৈদ্যুতিক কর্মক্ষমতা পরীক্ষা:
স্ট্যান্ডার্ড SMA, 2.92, 2.4, ইত্যাদি সহ 50 ওহম বৈশিষ্ট্যযুক্ত ইম্পিডেন্স গ্লাস ইনসুলেটর। বৈদ্যুতিক কর্মক্ষমতা পরীক্ষার জন্য উভয় প্রান্তে মিলিত মিলিমিটার তরঙ্গ সংযোগকারী।

আরএফ SERIES
  • 50Ω চরিত্রগত প্রতিবন্ধকতা-একক কোর গোলাকার মাথা
    50Ω চরিত্রগত প্রতিবন্ধকতা-একক কোর গোলাকার মাথা
    মডেল আকার (মিমি)
    ডি
    HS1710-0.23(2.8-0.3) 1.73 1 0.23 2.8 0.3
    HS1710-0.23(6.2-2.7) 1.73 1 0.23 6.2 2.7
    HS1710A 1.73 1 0.23 3 1
    HS1714-0.23(2-0.3) 1.73 1.4 0.23 2 0.3
    V1714-0.23(2.69-0.5) 1.73 1.4 0.23 2.7 0.5
    V1714-0.23(3.9-1.7) 1.73 1.4 0.23 3.9 1.7
    V1714-0.23(4.5-1.7) 1.73 1.4 0.23 4.5 1.7
    HS1714-0.23(3-1.1) 1.73 1.4 0.23 3 1.1
    HSI714E 1.73 1.4 0.23 2.9 1
    HS1714F 1.73 1.4 0.23 2.79 0.9
    HS1715-0.23(3.2-0.8) 1.73 1.5 0.23 3.2 0.8
    HS1716A 1.73 1.65 0.23 3.4 1
    V1719-0.23(5.0-1.7) 1.73 1.9 0.23 5 1.7
    V1720-0.23(3.3-0.5) 1.73 2 0.23 3.3 0.5
    HS1720-0.23(3.7-1.2) 1.73 2 0.23 3.7 1.2
    V1720-0.23(4.0-1.0) 1.73 2 0.23 4 1
    HS1720-0.23(6-2) 1.73 2 0.23 6 2
    V1724-0.23(3.7-0.5) 1.73 2.4 0.23 3.7 0.5
    HS1724-0.23(4.5-1.7) 1.73 2.4 0.23 4.5 1.7
  • 50Ω চরিত্রগত প্রতিবন্ধকতা-একক কোর গোলাকার মাথা
    50Ω চরিত্রগত প্রতিবন্ধকতা-একক কোর গোলাকার মাথা
    মডেল আকার (মিমি)
    ডি
    V1727-0.23(4.0-0.5) 1.73 2.7 0.23 4 0.5
    HS1727A 1.73 2.7 0.23 4.7 1
    HS1728-0.23(4-0.5) 1.73 2.8 0.23 4 0.5
    HS1730-0.23(4.3-0.5) 1.73 3 0.23 4.3 0.5
    V1730-0.23(5.0-1.0) 1.73 3 0.23 5 1
    HS1734-0.23-01 1.73 3.4 0.23 5.2 1
    HS1744-0.23-01 1.73 4.4 0.23 6.2 1
    HS1749-0.23(8.9-2.0) 1.73 4.9 0.23 8.9 2
    HS1751A 1.73 5.1 0.23 5.9 0.4
    HS1756-0.23(6.6-0.5) 1.73 5.6 0.23 6.6 0.5
    HS1914-0.3(2.55-0.35) 1.9 1.4 0.3 2.55 0.35
    HS1914-0.3(3.2-1.1) 1.9 1.4 0.3 3.2 1.1
    HS1914C 1.9 1.4 0.3 3.6 0.7
    HS1914-0.3(4.4-2) 1.9 1.4 0.3 4.4 2
    HS1914-0.3(3.2-1.1) 1.9 1.4 0.3 3.2 1.1
    HS1914-0.3(3.8-1.2) 1.9 1.4 0.3 3.8 1.2
    HS1914-0.3(4.4-2) 1.9 1.4 0.3 4.4 2
    HS1916-0.3(4.7-0.8) 1.9 1.6 0.3 4.7 0.8
    HS1916B 1.9 1.6 0.3 4.9 0.8
  • 50Ω চরিত্রগত প্রতিবন্ধকতা-একক কোর গোলাকার মাথা
    50Ω চরিত্রগত প্রতিবন্ধকতা-একক কোর গোলাকার মাথা
    মডেল আকার (মিমি)
    ডি
    HS1917-0.3(3.45-1) 1.9 1.75 0.3 3.45 1
    HS1918-0.3(5.8-2) 1.9 1.8 0.3 5.8 2
    HS1918-0.3(7.8-4.2) 1.9 1.8 0.3 7.8 4.2
    HS1918-0.3(3.5-1) 1.95 1.8 0.3 3.5 1
    HS1934-0.3(4.6-0.4) 1.9 3.4 0.3 4.6 0.4
    HS2006-0.3(3.2-2) 2 0.6 0.3 3.2 2
    HS2008-0.3(1.32-0.26) 2 0.8 0.3 1.32 0.26
    HS2008F 2 0.8 0.3 1.7 0.45
    HS2008-0.3(1.8-0.3) 2 0.8 0.3 1.8 0.3
    HS2008-0.3(2.8-1.0) 2 0.8 0.3 2.8 1
    HS2008-0.3(3.0-1.5) 2 0.8 0.3 3 1.5
    HS2008-0.3(3.4-0.8) 2 0.8 0.3 3.4 0.8
    HS2008-0.3(3.6-1.2) 2 0.8 0.3 3.6 1.2
    HS2008-0.3(5.4-2.6) 2 0.8 0.3 5.4 2.6
    HS2008-0.3(6-2.6) 2 0.8 0.3 6 2.6
    HS2010-0.3(2.1-0.7) 2 1 0.3 2.1 0.7
    HS2010-0.3(2.5-1) 2 1 0.3 2.5 1
    HS2010-0.3(3.2-1.2) 2 1 0.3 3.2 1.2
    HS2011-0.3(2.1-0.5) 2 1.1 0.3 2.1 0.5
  • 50Ω চরিত্রগত প্রতিবন্ধকতা-একক কোর গোলাকার মাথা
    50Ω চরিত্রগত প্রতিবন্ধকতা-একক কোর গোলাকার মাথা
    মডেল আকার (মিমি)
    ডি
    HS2012A 2 1.2 0.3 3.5 1.2
    HS2012-0.3(6-1.8) 2 1.2 0.3 6 1.8
    HS2012-0.3(6.7-1.5) 2 1.2 0.3 6.7 1.5
    HS2013-0.3(2.3-0.5) 2 1.3 0.3 2.3 0.5
    HS2014-0.3(1.92-0.26) 2 1.4 0.3 1.92 0.26
    HS2014-0.3(2.12-0.36) 2 1.4 0.3 2.12 0.36
    HS2014-0.3(2.4-0.5) 2 1.4 0.3 2.4 0.5
    HS2014D 2 1.4 0.3 3.1 0.45
    HS2014-0.3(4.4-1.5) 2 1.4 0.3 4.4 1.5
    HS2014-0.3(4.4-1) 2 1.4 0.3 4.4 1
    HS2014-0.3(4.55-1.5) 2 1.4 0.3 4.55 1.5
    HS2014-0.3(4.65-1.5) 2 1.4 0.3 4.65 1.5
    HS2014-0.3(5.5-1.9) 2 1.4 0.3 5.5 1.9
    HS2014-0.3(5.7-1.8) 2 1.4 0.3 5.7 1.8
    HS2014-0.3(8.0-4.6) 2 1.4 0.3 8 4.6
    HS2014-0.3(8-1.9) 2 1.4 0.3 8 1.9
    HS2015-0.3(3.25-0.75) 2 1.5 0.3 3.25 0.75
    HS2016-0.3(2.7-0.7) 2 1.6 0.3 2.7 0.7
    HS2016-0.3(2.8-0.5) 2 1.6 0.3 2.8 0.5
  • 50Ω চরিত্রগত প্রতিবন্ধকতা-একক কোর গোলাকার মাথা
    50Ω চরিত্রগত প্রতিবন্ধকতা-একক কোর গোলাকার মাথা
    মডেল আকার (মিমি)
    ডি
    HS2016-0.3(3.5-1.2) 2 1.6 0.3 3.5 1.2
    HS2016-0.3(3.6-1) 2 1.6 0.3 3.6 1
    HS2016-0.3(3.9-0.4) 2 1.6 0.3 3.9 0.4
    HS2016E 2 1.6 0.3 3.9 0.6
    HS2016-0.3(4.1-1) 2 1.6 0.3 4.1 1
    HS2016-0.3(4.2-0.8) 2 1.6 0.3 4.2 0.8
    HS2016-0.3(4.6-1.2) 2 1.6 0.3 4.6 1.2
    HS2016-0.3(4.6-1.8) 2 1.6 0.3 4.6 1.8
    Ka2016-0.3(5-2.9) 2 1.6 0.3 5 2.9
    HS2016-0.3(5.2-1.8) 2 1.6 0.3 5.2 1.8
    HS2016-0.3(8.0-4.6) 2 1.6 0.3 8 4.6
    HS2016-0.3(8-1.8) 2 1.6 0.3 8 1.8
    HS2016-0.3(12-2.4) 2 1.6 0.3 12 2.4
    HS2016-0.3(20.4-4.6) 2 1.6 0.3 20.4 4.6
    HS2017-0.3(3.3-0.8) 2 1.7 0.3 3.3 0.8
    HS2017-0.3(8.5-2.0) 2 1.7 0.3 8.5 2
    HS2018-0.3(3.5-1) 2 1.8 0.3 3.5 1
    HS2019-0.3-01 2 1.9 0.3
    HS2020-0.3(3.4-0.4) 2 2 0.3 3.4 0.4
  • 50Ω চরিত্রগত প্রতিবন্ধকতা-একক কোর গোলাকার মাথা
    50Ω চরিত্রগত প্রতিবন্ধকতা-একক কোর গোলাকার মাথা
    মডেল আকার (মিমি)
    ডি
    HS2020-0.3(3.8-0.8) 2 2 0.3 3.8 0.8
    HS2020-0.3(5.6-2.8) 2 2 0.3 5.6 2.8
    HS2020-0.3(5.7-2.9) 2 2 0.3 5.7 2.9
    HS2020-0.3(6-2) 2 2 0.3 6 2
    HS2020-0.3(12-5) 2 2 0.3 12 5
    HS2022F 2 2.2 0.3 3.1 0.45
    HS2022-0.3(3.2-0.7) 2 2.2 0.3 3.2 0.7
    HS2023-0.3(3.35-0.7) 2 2.3 0.3 3.35 0.7
    HS2023-0.3(3.7-0.7) 2 2.3 0.3 3.7 0.7
    HS2025-0.3(4.8-0.9) 2 2.5 0.3 4.8 0.9
    HS2025-0.3(6-1.5) 2 2.5 0.3 6 1.5
    HS2025-0.38(7.4-1.4) 2 2.5 0.38 7.4 1.4
    HS2026.5-0.3-01 2 2.6 5 0.3 0.1
    HS2028-0.3(4.9-0.5) 2 2.8 0.3 4.9 0.5
    HS2029-0.3(4.1-0.8) 2 2.9 0.3 4.1 0.8
    HS2029-0.3(4.9-0.5) 2 2.9 0.3 4.9 0.5
    HS2030-0.3(5.2-1.5) 2 3 0.3 5.2 1.5
    HS2030-0.3(5.8-1) 2 3 0.3 5.8 1
    HS2030-0.3(8-2) 2 3 0.3 8 2
  • 50Ω চরিত্রগত প্রতিবন্ধকতা-একক কোর গোলাকার মাথা
    50Ω চরিত্রগত প্রতিবন্ধকতা-একক কোর গোলাকার মাথা
    মডেল আকার (মিমি)
    ডি
    HS2030-0.3(9-1.5) 2 3 0.3 9 1.5
    HS2034-0.3(4.4-0.7) 2 3.4 0.3 4.4 0.7
    HS2035-0.3(6.6-1.8) 2 3.5 0.3 6.6 1.8
    HS2035-0.3(6.65-1.3) 2 3.5 0.3 6.65 1.3
    HS2035-0.3(7.1-1.3) 2 3.5 0.3 7.1 1.3
    HS2035-0.3(9.5-3) 2 3.5 0.3 9.5 3
    HS2036-0.3(5.7-0.7) 2 3.6 0.3 5.7 0.7
    HS2040A 2 4 0.3 5.1 0.8
    HS2045-0.7(11.5-2) 2 4.5 0.7 11.5 2
    HS2050-0.3(6.4-0.7) 2 5 0.3 6.4 0.7
    HS2507-0.38(2.2-0.3) 2.5 0.7 0.38 2.2 0.3
    HS2508-0.38(1.8-0.3) 2.5 0.8 0.38 1.8 0.3
    HS2508-0.38(2-0.5) 2.5 0.8 0.38 2 0.5
    HS2510-0.38(3.6-1.3 ) 2.5 1 0.38 3.6 1.3
    HS2510-0.38(7-3) 2.5 1 0.38 7 3
    HS2511-0.38(2..4-0.5) 2.5 1.1 0.38 2.4 0.5
    HS2511-0.38(3.7-0.6) 2.5 1.1 0.38 3.7 0.6
    HS2512-0.38(3.1-0.8) 2.5 1.1 0.38 3.7 0.6
    HS4414-0.3(3.2-1.1) 4.4 1.4 0.3 3.2 1.1
  • 50Ω চরিত্রগত প্রতিবন্ধকতা-একক কোর গোলাকার মাথা
    50Ω চরিত্রগত প্রতিবন্ধকতা-একক কোর গোলাকার মাথা
    মডেল আকার (মিমি)
    ডি
    HS2516-0.3(7.5-2.14) 2.5 1.6 0.3 7.5 2.14
    HS2516-0.3(8-1.8) 2.5 1.6 0.3 8 1.8
    HS2516-0.38(3.5-0.7) 2.5 1.6 0.38 3.5 0.7
    HS2516-0.38(4.1-1.25) 2.5 1.6 0.38 4.1 1.25
    HS2516-0.38(4.3-1.2) 2.5 1.6 0.38 4.3 1.2
    Ka2511-0.38(2.7-1.0) 2.5 1.1 0.38 2.7 1
    Ka2516-0.38(2.9-0.3) 2.5 1.6 0.38 2.9 0.3
    K2516-0.38(4-1.5) 2.5 1.6 0.38 4 1.5
    HS2516-0.38(4.5-1.2) 2.5 1.6 0.38 4.5 1.2
    HS2516-0.38(4.6-1) 2.5 1.6 0.38 4.6 1
    HS2516E 2.5 1.6 0.38 4.6 1.5
    HS2516G 2.5 1.6 0.38 4.6 1.5
    HS2516-0.38(4.8-1.2) 2.5 1.6 0.38 4.8 1.2
    HS2516-0.38(4.9-1.5) 2.5 1.6 0.38 4.9 1.5
    HS2516-0.38(5.1-1.6) 2.5 1.6 0.38 5.1 1.6
    HS2516-0.38(5.3-1.2) 2.5 1.6 0.38 5.3 1.2
    Ka2516-0.38(5.6-3.0) 2.5 1.6 0.38 5.6 3
    HS2516-0.38(6.1-1.3) 2.5 1.6 0.38 6.1 1.3
    HS2516-0.38(7.1-1.4) 2.5 1.6 0.38 7.1 1.4
  • 50Ω চরিত্রগত প্রতিবন্ধকতা-একক কোর গোলাকার মাথা
    50Ω চরিত্রগত প্রতিবন্ধকতা-একক কোর গোলাকার মাথা
    মডেল আকার (মিমি)
    ডি
    HS2516-0.38(7.41-1.27) 2.5 1.6 0.38 7.41 1.27
    HS2516F 2.5 1.6 0.38 7.45 4.55
    HS2516-0.38-01 2.5 1.6 0.38 7.5 1.3
    HS2516-0.38(8-1.8) 2.5 1.6 0.38 8 1.8
    RF2516-0.38(8-4.6) 2.5 1.6 0.38 8 4.6
    HS2516-0.38(8-5) 2.5 1.6 0.38 8 5
    K2516-0.38(8-1.5) 2.5 1.6 0.38 8 1.5
    K2516-0.38(8-5.9) 2.5 1.6 0.38 8 5.9
    HS2516-0.38(11.6-5) 2.5 1.6 0.38 11.6 5
    HS2516-0.38(12-2.0) 2.5 1.6 0.38 12 2
    HS2520-0.38(6-2) 2.5 2 0.38 6 2
    HS2520-0.38(7.4-1.4) 2.5 2 0.38 7.4 1.4
    HS2520-0.38(7.8-1.4) 2.5 2 0.38 7.8 1.4
    HS2520-0.38(9.0-2.0) 2.5 2 0.38 9 2
    HS2520-0.38(12-5) 2.5 2 0.38 12 5
    HS2520-0.38(15-2) 2.5 2 0.38 15 2
    HS2524-0.38(5.7-1.1) 2.5 2.4 0.38 5.7 1.1
    HS2526-0.38(6.6-2) 2.5 2.6 0.38 6.6 2
    HS2530-0.38(3.6-0.3) 2.5 3 0.38 3.6 0.3
  • 50Ω চরিত্রগত প্রতিবন্ধকতা-একক কোর গোলাকার মাথা
    50Ω চরিত্রগত প্রতিবন্ধকতা-একক কোর গোলাকার মাথা
    মডেল আকার (মিমি)
    ডি
    Ka2530-0.38(4.6-1.0) 2.5 3 0.38 4.6 1
    HS2530A 2.5 3 0.38 5 1
    HS2530-0.38(7.5-1.5) 2.5 3 0.38 7.5 1.5
    HS2530-0.38(8-0.4) 2.5 3 0.38 8 0.4
    HS2530-0.38(8-2) 2.5 3 0.38 8 2
    HS2530-0.38(9-3) 2.5 3 0.38 9 3
    HS2530-0.38(12-2.2) 2.5 3 0.38 12 2.2
    HS2530-0.38(13.9-8.2) 2.5 3 0.38 13.9 8.2
    HS2530-0.38(20-4) 2.5 3 0.38 20 4
    HS2533-0.38(6.5-1.2) 2.5 3.3 0.38 6.5 1.2
    HS2535-0.38(7.5-2) 2.5 3.5 0.38 7.5 2
    HS2537-0.38(7.7-2) 2.5 3.7 0.38 7.7 2
    HS2540-0.38(11-1.8) 2.5 4 0.38 11 1.8
    HS2545-0.38(8-1.3) 2.5 4.5 0.38 8 1.3
    HS2550-0.38(6.9-1.5) 2.5 5 0.38 6.9 1.5
    HS2550-0.38(11-2) 2.5 5 0.38 11 2
    HS2558-0.38(14.8-6) 2.5 5.8 0.38 14.8 6
    HS2575-0.38(12-1.3) 2.5 7.5 0.38 12 1.3
    HS2810-0.45(3.3-0.35) 2.8 1 0.45 3.3 0.35
  • 50Ω চরিত্রগত প্রতিবন্ধকতা-একক কোর গোলাকার মাথা
    50Ω চরিত্রগত প্রতিবন্ধকতা-একক কোর গোলাকার মাথা
    মডেল আকার (মিমি)
    ডি
    HS2815-0.45(5.75-1.25) 2.8 1.5 0.45 5.75 1.25
    HS2816-0.45(4.6-1.5) 2.8 1.6 0.45 4.6 1.5
    HS2816-0.45(4.9-1.8)-R 2.8 1.6 0.45 4.9 1.8
    HS2816-0.45(5.1-1.5) 2.8 1.6 0.45 5.1 1.5
    HS2816-0.45(5.2-1.1) 2.8 1.6 0.45 5.2 1.1
    HS2816-0.45(5.4-2) 2.8 1.6 0.45 5.4 2
    HS2816-0.45(5.6-2) 2.8 1.6 0.45 5.6 2
    HS2816-0.45(6.2-1.8) 2.8 1.6 0.45 6.2 1.8
    HS2816-0.45(8.0-4.6) 2.8 1.6 0.45 8 4.6
    HS2816-0.45(8-1.8) 2.8 1.6 0.45 8 1.8
    HS2816-0.45(11.6-5) 2.8 1.6 0.45 11.6 5
    HS2816-0.45(12-3.0) 2.8 1.6 0.45 12 3
    HS2831-0.45(5.2-1.8) 2.8 3.1 0.45 5.2 1.8
    HS2843-0.45(8.3-2) 2.8 4.3 0.45 8.3 2
    HS3015-0.5(4.3-0.8) 3 1.5 0.5 4.3 0.8
    HS3016-0.5(3.4-0.9) 3 1.6 0.5 3.4 0.9
    HS3016-0.5(4.6-1) 3 1.6 0.5 4.6 1
    HS3016-0.5(4.6-1.5) 3 1.6 0.5 4.6 1.5
    HS3016B 3 1.6 0.38 4.9 1.8
  • 50Ω চরিত্রগত প্রতিবন্ধকতা-একক কোর গোলাকার মাথা
    50Ω চরিত্রগত প্রতিবন্ধকতা-একক কোর গোলাকার মাথা
    মডেল আকার (মিমি)
    ডি
    HS3016-0.5(5.6-2) 3 1.6 0.5 5.6 2
    HS3016C 3 1.6 0.5 6.6 2
    HS3016-0.5(6.6-2.5) 3 1.6 0.5 6.6 2.5
    HS3016-0.5(7.5-2) 3 1.6 0.5 7.5 2
    HS3016-0.5(7.5-3.9) 3 1.6 0.5 7.5 3.9
    HS3016-0.5(7.8-2.0) 3 1.6 0.5 7.8 2
    HS3016-0.5(9.65-3.05) 3 1.6 0.5 9.65 3.05
    HS3016-0.5(12-5.0) 3 1.6 0.5 12 5
    HS3016-0.5(14.3-1.5) 3 1.6 0.5 14.3 1.5
    HS3020-0.5(5-1.8) 3 2 0.5 5 1.8
    HS3020-0.5(6.0-1.5) 3 2 0.5 6 1.5
    HS3020-0.5(6.5-2.2) 3 2 0.5 6.5 2.2
    HS3020-0.5(6.5-2.3) 3 2 0.5 6.5 2.3
    HS3020-0.5(6.8-1.8) 3 2 0.5 6.8 1.8
    HS3020-0.5(7.5-2.2) 3 2 0.5 7.5 2.2
    HS3020-0.5(8-2) 3 2 0.5 8 2
    HS3020-0.5(8.5-2.2) 3 2 0.5 8.5 2.2
    HS3020-0.5(8.5-4.3) 3 2 0.5 8.5 4.3
    HS3020-0.5(10-4) 3 2 0.5 10 4
  • 50Ω চরিত্রগত প্রতিবন্ধকতা-একক কোর গোলাকার মাথা
    50Ω চরিত্রগত প্রতিবন্ধকতা-একক কোর গোলাকার মাথা
    মডেল আকার (মিমি)
    ডি
    HS3020-0.5(10-1.5) 3 2 0.5 10 1.5
    HS3020-0.5(12-4.0) 3 2 0.5 12 4
    HS3020-0.5(12-5.0) 3 2 0.5 12 5
    HS3020-0.5(12-6) 3 2 0.5 12 6
    HS3020-0.5(15-2) 3 2 0.5 15 2
    HS3025-0.5(5.4-1.2) 3 2.5 0.5 5.4 1.2
    HS3030A 3 3 0.38 10 1.5
    HS3030-0.5(6.5-2) 3 3 0.5 6.5 2
    HS3030-0.5(6.6-1.8) 3 3 0.5 6.6 1.8
    HS3030-0.5(7.5-2)-R 3 3 0.5 7.5 2
    HS3030-0.5(8.8-1.8) 3 3 0.5 8.8 1.8
    HS3030-0.5(10-2) 3 3 0.5 10 2
    HS3030-0.5(12-3) 3 3 0.5 12 3
    HS3030-0.5(12-2) 3 3 0.5 12 2
    HS3030-0.5(14-4.0) 3 3 0.5 14 4
    HS3035-0.5(6-1) 3 3.5 0.5 6 1
    HS3035-0.5(11.5-4) 3 3.5 0.5 11.5 4
    HS3040A 3 4 0.5 10.4 4
    HS3042-0.5(9.0-2.2) 3 4.2 0.5 9 2.2
  • 50Ω চরিত্রগত প্রতিবন্ধকতা-একক কোর গোলাকার মাথা
    50Ω চরিত্রগত প্রতিবন্ধকতা-একক কোর গোলাকার মাথা
    মডেল আকার (মিমি)
    ডি
    HS3045-0.5(8.5-2) 3 4.5 0.5 8.5 2
    HS3047-0.5(9.4-2.2) 3 4.7 0.5 9.4 2.2
    HS3047-0.5(12-5.1) 3 4.7 0.5 12 5.1
    HS3050-0.5(9-2) 3 5 0.5 9 2
    HS3052A 3 5.2 0.5 10.3 4
    HS3057-0.5(12.5-3) 3 5.7 0.5 12.5 3
    HS3620-0.5(9-2.5) 3.6 2 0.5 9 2.5
    HS3616-0.6(12.2-1.6) 3.6 1.6 0.6 12.2 1.6
    HS3625-0.6(6.5-2) 3.6 2.5 0.6 6.5 2
    HS2540-0.8(27-5) 2.5 4 0.8 27 5
    HS4030A 4 3 1 10.6 4.6
    HS5010-0.8(5.9-2.45) 5 1 0.8 5.9 2.45
    HS5015-0.8(7.3-4.9) 5 1.5 0.8 7.3 4.9
    HS5016B 5 1.6 0.8 5.6 2
    HS5016-0.8(8.6-3.0) 5 1.6 0.8 8.6 3
    HS5030-0.8(17.2-2) 5 3 0.8 17.2 2
    HS5040-0.8(12-3) 5 4 0.8 12 3
    HS5060-0.8(11.5-2.5) 5 6 0.8 11.5 2.5
    HS5065-0.8(13.7-3) 5 6.5 0.8 13.7 3
  • 50Ω চরিত্রগত প্রতিবন্ধকতা-একক কোর গোলাকার মাথা
    50Ω চরিত্রগত প্রতিবন্ধকতা-একক কোর গোলাকার মাথা
    মডেল আকার (মিমি)
    ডি
    HS5065-0.8(15.5-3) 5 6.5 0.8 15.5 3
    HS5516-0.9(8.3-2.8) 5.5 1.6 0.9 8.3 2.8
    HS5516-0.9(8.5-2.8) 5.5 1.6 0.9 8.5 2.8
    HS5516-0.9(8.7-2.8) 5.5 1.6 0.9 8.7 2.8
    HS5516-0.9(8.9-2.8) 5.5 1.6 0.9 8.9 2.8
    HS5516-0.9(9.1-2.8) 5.5 1.6 0.9 9.1 2.8
    HS5516-0.9(11.9-2.8) 5.5 1.6 0.9 11.9 2.8
    HS5516-0.9(12.6-2) 5.5 1.6 0.9 12.6 2
    HS5516-0.9(13.8-2.8) 5.5 1.6 0.9 13.8 2.8
    HS5525-0.9(9.7-1.6) 5.5 2.5 0.9 9.7 1.6
    HS5525-0.9(16-5) 5.5 2.5 0.9 16 5
    HS5530-0.9(8.8-2.3) 5.5 3 0.9 8.8 2.3
    HS5530-0.9(9.6-2.3) 5.5 3 0.9 9.6 2.3
    HS5530-0.9(13.8-2.8) 5.5 3 0.9 13.8 2.8
    HS5530A 5.5 3 1.35 13.5 7.5
    HS5530B 5.5 3 1.35 13.8 7.8
    HS6016-1.0(8.5-1.5) 6 1.6 1 8.5 1.5
    HS6840-0.9(7-1.5) 6.8 4 0.9 7 1.5
    HS8330-1.3(13-5) 8.3 3 1.3 13 5
  • 50Ω চরিত্রগত প্রতিবন্ধকতা - একক কোর সমতল মাথা
    50Ω চরিত্রগত প্রতিবন্ধকতা - একক কোর সমতল মাথা
    মডেল আকার (মিমি)
    ডি
    Ka2008-0.3(1.4-0.3) 2 0.8 0.3 1.4 0.3
    HS2008-0.3(1.65-0.35) 2 0.8 0.3 1.65 0.35
    Ka2008-0.3(1.8-0.3) 2 0.8 0.3 1.8 0.3
    HS2010-0.3(1.9-0.35) 2 1 0.3 1.9 0.35
    HS2010-0.3(2-0.5) 2 1 0.3 2 0.5
    HS2010-0.3(2.5-0.5) 2 1 0.3 2.5 0.5
    HS2013-0.3(2.4-0.4) 2 1.3 0.3 2.4 0.4
    HS2014-0.3(2.6-0.4) 2 1.4 0.3 2.6 0.4
    HS2014E 2 1.4 0.3 2.3 0.45
    HS2014F 2 1.4 0.3 2.35 0.5
    HS2016-0.3-01 2 1.6 0.3 3.1 1
    HS2016-0.3(3.3-0.7) 2 1.6 0.3 3.3 0.7
    HS2016-0.3-02 2 1.6 0.3 3.3 1
    HS2016-0.3(5.6-2) 2 1.6 0.3 5.6 2
    HS2019-0.3(3-0.35) 2 1.9 0.3 3 0.35
    HS2020-0.3-02 2 2 0.3 3.5 0.5
    HS2020-0.3(3.6-0.8) 2 2 0.3 3.6 0.8
    HS2030-0.3(4.2-0.7) 2 3 0.3 4.2 0.7
  • 50Ω চরিত্রগত প্রতিবন্ধকতা-একক কোর গোলাকার মাথা
    50Ω চরিত্রগত প্রতিবন্ধকতা-একক কোর গোলাকার মাথা
    মডেল আকার (মিমি)
    ডি
    HS8740-1.38(8.4-3.2) 8.7 4 1.38 8.4 3.2
    HS9430-1.5(9-3) 9.4 3 1.5 9 3
    HS9430-1.5(11-4) 9.4 3 1.5 11 4
    HS9640-1.5(9.2-3.2) 9.6 4 1.5 9.2 3.2
    HS10050-1.7(15-5) 10 5 1.7 15 5
    HS130100-3(18-4) 13 10 3 18 4
  • 50Ω চরিত্রগত প্রতিবন্ধকতা - একক কোর রাউন্ড টিপ
    50Ω চরিত্রগত প্রতিবন্ধকতা - একক কোর রাউন্ড টিপ
    মডেল আকার (মিমি)
    ডি
    HS2330-0.23(5.3-0.3) 2.3 3 0.23 5.3 0.3
    HS2815-0.3(5.2-1.2) 2.8 1.5 0.3 5.2 1.2
    HS2815-0.3(7.2-1.2) 2.8 1.5 0.3 7.2 1.2
    HS2635-0.3(7.1-1.3) 2.6 3.5 0.3 7.1 1.3
    HS3822-0.5(14.4-3.7) 3.8 2.2 0.5 14.4 3.7
    HS3525-0.5(11.5-6) 3.5 2.5 0.5 11.5 6
  • 50Ω চরিত্রগত প্রতিবন্ধকতা - একক কোর সমতল মাথা
    50Ω চরিত্রগত প্রতিবন্ধকতা - একক কোর সমতল মাথা
    মডেল আকার (মিমি)
    ডি
    HS2516-0.38(5.1-2) 2.5 1.6 0.38 5.1 2
    HS2516-0.38(7.37-4.5) 2.5 1.6 0.38 7.37 4.5
    HS2517-0.38-01 2.5 1.7 0.38 2.7 0.65
    HS2520-0.38(3.2-0.5) 2.5 2 0.38 3.2 0.5
    HS2525-0.38-01 2.5 2.5 0.38 3.65 0.65
    HS2530-0.38(7.5-2.5) 2.5 3 0.38 7.5 2.5
    HS2816-0.45(4.9-1.8) 2.8 1.6 0.45 4.9 1.8
    HS2816-0.45-01 2.8 1.6 0.45 5 3
    HS2816-0.45(6-1.5) 2.8 1.6 0.45 6 1.5
    HS3030-0.5(7.5-2) 3 3 0.5 7.5 2
  • 50Ω চরিত্রগত প্রতিবন্ধকতা - একক কোর সমতল বৃত্তাকার টিপ
    50Ω চরিত্রগত প্রতিবন্ধকতা - একক কোর সমতল বৃত্তাকার টিপ
    মডেল আকার (মিমি)
    ডি
    HS2006-0.3(3.1-1.8) 2 0.6 0.3 3.1 1.8
    HS2010-0.3(3.5-2) 2 1 0.3 3.5 2
    HS2020-0.3-01 2 2 0.3 3.7 0.6
    HS2035-0.3(6.4-1.8) 2 3.5 0.3 6.4 1.8
    HS2816-0.45(11.7-7.6) 2.8 1.6 0.45 11.7 7.6
    HS3020-0.5(10-6.5) 3 2 0.5 10 6.5
    HS3216-0.5(7.1-4) 3.2 1.6 0.5 7.1 4
    HS6448-1.0(10.2-3.5) 6.4 4.8 1 10.2 3.5
  • Ka2032-0.3(4.5-1.3)
    Ka2032-0.3(4.5-1.3)
    মডেল
    Ka2032-0.3(4.5-1.3)
  • K2010-0.3(1.05-0.05)
    K2010-0.3(1.05-0.05)
    মডেল
    K2010-0.3(1.05-0.05)
  • HS2510-0.3-02
    HS2510-0.3-02
    মডেল
    HS2510-0.3-02
  • HS3520-0.5(3.4-0.3)
    HS3520-0.5(3.4-0.3)
    মডেল
    HS3520-0.5(3.4-0.3)
  • Ka3216-0.5(5.85-1.5)
    Ka3216-0.5(5.85-1.5)
    মডেল
    Ka3216-0.5(5.85-1.5)
  • K2515-0.38(2.9-0.3)
    K2515-0.38(2.9-0.3)
    মডেল
    K2515-0.38(2.9-0.3)
  • 2-K482515-0.38(2.9-0.3)
    2-K482515-0.38(2.9-0.3)
    মডেল
    2-K482515-0.38(2.9-0.3)
  • KW2016-0.3(0.7-1.6)
    KW2016-0.3(0.7-1.6)
    মডেল
    KW2016-0.3(0.7-1.6)
  • KW2016-0.3(1-2.2)
    KW2016-0.3(1-2.2)
    মডেল
    KW2016-0.3(1-2.2)
  • KW2025-0.3(1-2.2)
    KW2025-0.3(1-2.2)
    মডেল
    KW2025-0.3(1-2.2)
  • JPW2040-0.3-01
    JPW2040-0.3-01
    মডেল
    JPW2040-0.3-01
  • KW2018-0.3(0.95-2.1)
    KW2018-0.3(0.95-2.1)
    মডেল
    KW2018-0.3(0.95-2.1)
  • অ-50Ω চারিত্রিক প্রতিবন্ধকতা-একক কোর রাউন্ড টিপ
    অ-50Ω চারিত্রিক প্রতিবন্ধকতা-একক কোর রাউন্ড টিপ
    মডেল আকার (মিমি)
    ডি
    JD1515-0.4(5-1.5) 1.5 1.5 0.4 5 5
    JD1615-0.4(8-1.9) 1.6 1.5 0.4 8 8
    JD1616-0.4(30-14.2) 1.6 1.6 0.4 30 30
    JD1614-0.45(11.4-5) 1.6 1.4 0.45 11.4 11.4
    JD1616-0.45(4.65-1.05) 1.6 1.6 0.45 4.65 4.65
    JD1616-0.45(16-4) 1.6 1.6 0.45 16 16
    JD1616-0.45(30-14.2) 1.6 1.6 0.45 30 30
    JD2020-0.45(6.3-3) 2 2 0.45 6.3 6.3
    JD2020-0.45(10-4) 2 2 0.45 10 10
    JD1614-0.5(9-4) 1.6 1.4 0.5 9 9
    JD1616-0.5(30-14.2) 1.6 1.6 0.5 30 30
    JD1619-0.5(5.1-2) 1.6 1.9 0.5 5.1 5.1
    HS2015-0.5(7.5-3) 2 1.5 0.5 7.5 7.5
    JD2016-0.5(12-5.8)-R 2 1.6 0.5 12 12
    HS2018-0.5(9.5-1.5) 2 1.8 0.5 9.5 9.5
    HS2018-0.5(11.5-7.2) 2 1.8 0.5 11.5 11.5
    HS2030-0.5(10-2) 2 3 0.5 10 10
    JD1919-0.6(7.9-1.9)-R 1.9 1.9 0.6 7.9 7.9
  • অ-50Ω চারিত্রিক প্রতিবন্ধকতা-একক কোর রাউন্ড টিপ
    অ-50Ω চারিত্রিক প্রতিবন্ধকতা-একক কোর রাউন্ড টিপ
    মডেল আকার (মিমি)
    ডি
    HS2040-0.6(6-1) 2 4 0.6 6 1
    JD1818-0.7(10-6) 1.8 1.8 0.7 10 6
    JD1818-0.7(22.2-0.4) 1.8 1.8 0.7 22.2 0.4
    HS2016-0.7(4.6-1.5) 2 1.6 0.7 4.6 1.5
    HS2016-0.7(6.3-1.5) 2 1.6 0.7 6.3 1.5
    HS2016-0.7(7.1-1.5)-R 2 1.6 0.7 7.1 1.5
    HS2016-0.7(7.6-1.5) 2 1.6 0.7 7.6 1.5
    HS2016-0.7(9.6-4) 2 1.6 0.7 9.6 4
    K2016-0.7(11-4.6) 2 1.6 0.7 11 4.6
    HS2016-0.7(11.6-5) 2 1.6 0.7 11.6 5
    HS2016-0.7(17-15.1) 2 1.6 0.7 17 15.1
    HS2016-0.7(20-0.3) 2 1.6 0.7 20 0.3
    HS2017-0.7(9.7-3) 2 1.7 0.7 9.7 3
    HS2035-0.7(13-3) 2 3.5 0.7 13 3
    HS2020-0.75(12-4) 2 2 0.75 12 4
    HS2015-0.8(6.5-3) 2 1.5 0.8 6.5 3
    JD2015-0.8(10.5-3) 2 1.5 0.8 10.5 3
    JD2063-0.5(10.3-2) 2 6.3 0.5 10.3 2
  • অ-50Ω চারিত্রিক প্রতিবন্ধকতা-একক কোর রাউন্ড টিপ
    অ-50Ω চারিত্রিক প্রতিবন্ধকতা-একক কোর রাউন্ড টিপ
    মডেল আকার (মিমি)
    ডি
    JD2518-0.8(12.8-5) 2.5 1.8 0.8 12.8 5
    JD2520-0.8(14-4) 2.5 2 0.8 14 4
    JD2540-0.8(10-4) 2.5 4 0.8 10 4
    JD3218-0.8(51.8-20) 3.2 1.8 0.8 51.8 20
    JD2530-0.9(6.6-1.8) 2.5 3 0.9 6.6 1.8
    JD2540A 2.5 4 0.8 10 4
    JD2816-1(6.6-2) 2.8 1.6 1 6.6 2
    K2816-1.0(16-10) 2.8 1.6 1 16 10
    JD3218-1(27-15) 3.2 1.8 1 27 15
    JD3015-1.3(10.2-6.1) 3 1.5 1.3 10.2 6.1
    JD3015-1.3(10.5-3) 3 1.5 1.3 10.5 3
    JD3430-1.4(10.5-4.5) 3.4 3 1.4 10.5 4.5
    JD12940-1.7(10-3) 12.9 4 1.7 10 3
    JD3916-2(6.6-2) 3.9 1.6 2 6.6 2
  • অ-50Ω চরিত্রগত প্রতিবন্ধকতা-একক কোর সমতল মাথা
    অ-50Ω চরিত্রগত প্রতিবন্ধকতা-একক কোর সমতল মাথা
    মডেল আকার (মিমি)
    ডি
    JD1510-0.3-01 1.5 1 0.3 5.5 1.5
    JD1315-0.35-01 1.3 1.5 0.35 3.5 0.3
    JD1515-0.4(4.5-0.5) 1.5 1.5 0.4 4.5 0.5
    JD1516-0.4-01 1.5 1.6 0.4 14.6 1
    JD1615-0.5(7-0.5) 1.6 1.5 0.5 7 0.5
    JD1619-0.5(8.7-3) 1.6 1.9 0.5 8.7 3
    JD1619-0.5(10.3-4.6) 1.6 1.9 0.5 10.3 4.6
    JD2016-0.5(4.5-0.6) 2 1.6 0.5 4.5 0.6
    JD2016-0.5(12-5.8) 2 1.6 0.5 12 5.8
    JD2020-0.5-01 2 2 0.5 5.2 0.5
    JD2044-0.5(6.3-0.4) 2 4.4 0.5 6.3 0.4
    JD1919-0.6(7.9-1.9) 1.9 1.9 0.6 7.9 1.9
    RF2010-0.7(6.0-3.0) 2 1 0.7 6 3
    JD2015-0.8(6.5-3) 2 1.5 0.8 6.5 3
    RF2016-0.8(6.6-4.5) 2 1.6 0.8 6.6 4.5
    JD2816-1(10.3-4.9) 2.8 1.6 1 10.3 4.9
  • অ-50Ω চারিত্রিক প্রতিবন্ধকতা-একক কোর সমতল বৃত্তাকার টিপ
    অ-50Ω চারিত্রিক প্রতিবন্ধকতা-একক কোর সমতল বৃত্তাকার টিপ
    মডেল আকার (মিমি)
    ডি
    RF1515-0.38(2.9-0.3) 1.5 1.5 0.38 2.9 0.3
    JD1614-0.5(17.9-0.5) 1.6 1.4 0.5 17.9 0.5
    JD1615-0.5(9-2.5) 1.6 1.5 0.5 9 2.5
    JD2016-0.7(8.1-4.5) 2 1.6 0.7 8.4 4.5
    JD2040-0.6(10-4.5) 2 4 0.6 10 4.5
    JD2016-0.7(9.1-2.5) 2 1.6 0.7 9.1 2.5
    JD2035-0.7(22-3) 2 3.5 0.7 22 3
  • অ-50Ω চারিত্রিক প্রতিবন্ধকতা - পেরেকের মাথার ধরন
    অ-50Ω চারিত্রিক প্রতিবন্ধকতা - পেরেকের মাথার ধরন
    মডেল আকার (মিমি)
    ডি জি
    JD1616-0.45(4.2-1.5) 1.4 1.5 4.2 0.45 1.6 0.8 0.3
    JD1614-0.45(6.2-0.8) 1.4 0.8 6.2 0.45 1.6 0.8 0.3
    JD1614-0.45(6.9-1.5) 1.4 1.5 6.9 0.45 1.6 0.8 0.2
    JD1620-0.45(7-1) 2 1 7 0.45 1.6 1 0.3
    JD1630-0.5(7.5-0.5) 3 0.5 7.5 0.5 1.6 0.6 0.2
    JD1630-0.5(10.5-0.5) 3 0.5 10.5 0.5 1.6 0.6 0.2
    JD1816-0.5(20-0.5) 1.6 0.5 20 0.5 1.8 0.7 0.3
    JD2020B 2 2 0.6 5.7 1
  • JP2016-0.7(7.1-1.5)
    JP2016-0.7(7.1-1.5)
    মডেল
    JP2016-0.7(7.1-1.5)

    মডেল আকার (মিমি)
    ডি জি
    JD1614-0.45(6.9-1.5)-R 1.4 1.5 6.9 0.45 1.6 0.8 0.2
    JD1630-0.5(7.5-0.5)-R 3 0.5 7.5 0.5 1.6 0.6 0.2
  • অ-50Ω চারিত্রিক প্রতিবন্ধকতা - পেরেকের মাথার ধরন
    অ-50Ω চারিত্রিক প্রতিবন্ধকতা - পেরেকের মাথার ধরন
    মডেল আকার (মিমি)
    ডি জি
    JD1614-0.45(6.9-1.5)-R 1.4 1.5 6.9 0.45 1.6 0.8 0.2
    JD1630-0.5(7.5-0.5)-R 3 0.5 7.5 0.5 1.6 0.6 0.2
  • JD1516-0.4-02
    JD1516-0.4-02
    মডেল
    JD1516-0.4-02
  • RF1816-0.8(6.6-4.5)-2
    RF1816-0.8(6.6-4.5)-2
    মডেল
    RF1816-0.8(6.6-4.5)-2
  • 2-RF281515-0.38(2.9-0.3)
    2-RF281515-0.38(2.9-0.3)
    মডেল
    2-RF281515-0.38(2.9-0.3)
  • 2-RF301516-0.5(5.85-1.5)
    2-RF301516-0.5(5.85-1.5)
    মডেল
    2-RF301516-0.5(5.85-1.5)
  • JD301520-0.5-01
    JD301520-0.5-01
    মডেল
    JD301520-0.5-01
  • JD301515-0.5-01
    JD301515-0.5-01
    মডেল
    JD301515-0.5-01
  • JD201315-0.35-01
    JD201315-0.35-01
    মডেল
    JD301515-0.5-01
  • JD271516-0.4-02
    JD271516-0.4-02
    মডেল
    JD271516-0.4-02
  • JD271516-0.4-01
    JD271516-0.4-01
    মডেল
    JD271516-0.4-01
  • JD2615-0.35-01
    JD2615-0.35-01
    মডেল
    JD2615-0.35-01
  • 3-RF411515-0.38(2.9-0.3)
    3-RF411515-0.38(2.9-0.3)
    মডেল
    3-RF411515-0.38(2.9-0.3)
  • 3-RF421516-0.5(5.85-1.5)
    3-RF421516-0.5(5.85-1.5)
    মডেল
    3-RF421516-0.5(5.85-1.5)
  • JD261516-0.3-01
    JD261516-0.3-01
    মডেল
    JD261516-0.3-01
  • JD391516-0.4-01
    JD391516-0.4-01
    মডেল
    JD391516-0.4-01
  • JD2815-0.35-01
    JD2815-0.35-01
    মডেল
    JD2815-0.35-01
  • RF3416-0.8(6.6-4.5)-4
    RF3416-0.8(6.6-4.5)-4
    মডেল
    RF3416-0.8(6.6-4.5)-4
  • 4-RF3416-0.5(5.85-1.5)
    4-RF3416-0.5(5.85-1.5)
    মডেল
    4-RF3416-0.5(5.85-1.5)
  • JD341315-0.35-01
    JD341315-0.35-01
    মডেল
    JD341315-0.35-01
  • JD272716-0.4-01
    JD272716-0.4-01
    মডেল
    JD272716-0.4-01
  • JD511516-0.4-01
    JD511516-0.4-01
    মডেল
    JD511516-0.4-01
  • JD2016-0.3-01
    JD2016-0.3-01
    মডেল
    JD2016-0.3-01
  • JD3115-0.35-01
    JD3115-0.35-01
    মডেল
    JD3115-0.35-01
  • JD631516-0.4-01
    JD631516-0.4-01
    মডেল
    JD631516-0.4-01
  • RF1816-0.8(6.6-4.5)-6
    RF1816-0.8(6.6-4.5)-6
    মডেল
    RF1816-0.8(6.6-4.5)-6
  • 6-RF811515-0.5(0.5-8.2)
    6-RF811515-0.5(0.5-8.2)
    মডেল
    6-RF811515-0.5(0.5-8.2)
  • 6-RF821515-0.5(5.5-2.5)
    6-RF821515-0.5(5.5-2.5)
    মডেল
    6-RF821515-0.5(5.5-2.5)
  • JD501516-0.4-01
    JD501516-0.4-01
    মডেল
    JD501516-0.4-01
  • JD811520-0.5-0.1
    JD811520-0.5-0.1
    মডেল
    JD811520-0.5-0.1
  • 7-RF941515-0.5(5.5-2.5)
    7-RF941515-0.5(5.5-2.5)
    মডেল
    7-RF941515-0.5(5.5-2.5)
  • JD1201515-0.5-01
    JD1201515-0.5-01
    মডেল
    JD1201515-0.5-01
  • JMC-265-JH
    JMC-265-JH
    মডেল
    JMC-265-JH
  • JD1201515-0.5-02
    JD1201515-0.5-02
    মডেল
    JD1201515-0.5-02
  • RF1816-0.8(6.6-4.5)-9
    RF1816-0.8(6.6-4.5)-9
    মডেল
    RF1816-0.8(6.6-4.5)-9
  • JYZ22-0.45-01
    JYZ22-0.45-01
    মডেল
    JYZ22-0.45-01
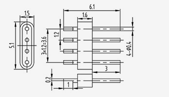
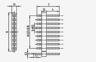
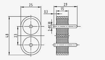
  • অ-50Ω চারিত্রিক প্রতিবন্ধকতা - মাল্টি-কোর
    অ-50Ω চারিত্রিক প্রতিবন্ধকতা - মাল্টি-কোর
    মডেল আকার (মিমি)
    ডি জি এইচ একটি টান-থ্রু সারি সমাপ্তি
    JD156018-0.3(27.2-0.8)-8 27.2 0.8 1.4 6 1.8 0.6 0.3 0 8 1 ভিতরের কন্ডাক্টর উপরের মুখ বন্ধন
    JD151152-0.3(4.5-1.5)-9 4.5 1.5 1.5 11.5 2 1.27 0.3 0 9 1 সোল্ডারিং
    2-JD162020-0.3(5-1.7)-4 ক1=5
    ক2=3.6
    খ1=1.7
    খ2=1
    1.6 2 2 0.57 0.3 0.57 4 2 চlat bonding on both sides of the inner conductors
    2-JD162020-0.3(7.6-1.7)-4 ক1=7.6
    ক2=3.6
    খ1=1.7
    খ2=1
    1.6 2 2 0.57 0.3 0.56 4 2 চlat bonding on both sides of inner conductor ends
    JD158215-0.38(7-0.8)-6 7 0.8 1.5 8.2 1.5 1.27 0.38 0 6 1 উপরের পেরেক মাথা মুখ বন্ধন
    JD153015-0.38(8-1.9)-2 8 1.9 1.5 3 1.5 1.27 0.38 0 2 1 ঝালাই করা
    2-JD162525-0.38(10.6-3.5)-4 10.6 3.5 1.6 2.5 2.5 0.71 0.38 0.71 4 2 সোল্ডারিং
    2-JD187425-0.38(3.8-1)-16 ক1=3.8
    ক2=5.2
    খ1=1
    খ2=1.7
    1.8 7.4 2.5
    4
    0.88 0.38 1.02 16 2 অভ্যন্তরীণ পরিবাহী সমাপ্তি সমতল এবং আবদ্ধ পার্শ্বপথে
    JD1510516-0.45(7.5-2)-8 7.5 2 1.5 10.5 1.6 1.27 0.45 0 8 1 সোল্ডারিং
    JD155515-0.5(5.7-1.7}-4 5.7 1.7 1.5 5.5 1.5 1.27 0.5 0 4 1 ভিতরের কন্ডাকটর উপরের দিকে সমতল বন্ধন
    JD1512015-0.5(5.8-2.5)-9 5.8 2.5 1.5 12 1.5 1.27 0.5 0 9 1 নিম্ন ভিতরের কন্ডাকটর সমতল পার্শ্ব বন্ধন
    JD153015-0.5(7-0.5)-2 7 0.5 1.5 3 1.5 1.27 0.5 0 2 1 খonding of inner conductor ends
  • অ-50Ω চারিত্রিক প্রতিবন্ধকতা - মাল্টি-কোর
    অ-50Ω চারিত্রিক প্রতিবন্ধকতা - মাল্টি-কোর
    মডেল আকার (মিমি)
    ডি জি এইচ একটি টান-থ্রু সারি সমাপ্তি
    JD153815-0.5(7.7-1.2)-2 7.7 1.2 1.5 3.8 1.5 2.1 0.5 0 2 1 ভিতরের কন্ডাকটর উপরের দিকে সমতল বন্ধন
    JD153015-0.5(13.5-4)-2 13.5 4 1.5 3 1.5 1.27 0.5 0 2 1 ঢালাই
    JD1613215-0.5(10.6-2)-10 10.6 2 1.6 13.2 1.5 1.27 0.5 0 10 1 সোল্ডারিং
    JD302915-0.5(8-1)-2 8 1 3 2.9 1.5 1.27 0.5 0 2 1 ভিতরের কন্ডাক্টর উপরের মুখ বন্ধন
    2-JD165528-0.5(7.6-1)-8 7.6 1 1.6 5.5 2.8 1.07 0.5 0 8 2 ভিতরের কন্ডাক্টর উপরের মুখ বন্ধন
    2-JD154330-0.5(5.8-2)-5 কl=5.8
    ক2=5.1
    খ1=2
    খ2=1.3
    1.5 4.3 3 1.27 0.5 1.5 5 2 ঝাল উপরের দিকে সমতল
    2-JD156830-0.5(5.8-2)-9 কl=5.8
    ক2=5.1
    খ1=2
    খ2=1.3
    1.5 6.8 n 1.27 0.5 1.5 6 2 ভিতরের কন্ডাকটর উপরের দিকের ঢালাই সমতল করা
    2-JD1512030-0.5(9.3-2.8)-18 ক1=9.3
    ক2=8
    খ1=2.8
    খ2=1.5
    1.5 12 3 1.27 0.5 1.5 18 2 ঢালাই Flattening of inner conductor ends
    3-JD155545-0.5(9.5-4)-12 কl=9.5
    ক2=7.5
    ক3=5.5
    খ1=4
    খ2=3
    খ3=2
    1.5 5.5 4.5 1.27 0.5 1.5 12 3 সোল্ডারিং
    2-JD207015-0.6(7-3)-10 ক1=7
    ক2=6
    খ1=3
    খ2=2
    2 7 1.5 1.27 0.6 1.5 10 2 অভ্যন্তরীণ পরিবাহী চ্যাপ্টা এবং উভয় পক্ষের বন্ধন
    2-JD3012230-0.6(10.8-5)18 10.8 5 3 12.2 3 1.27 0.6 1.5 18 2 নিম্ন ভিতরের কন্ডাকটর সাইড সমতল বন্ধন
  • JYZ22-0.45-02
    JYZ22-0.45-02
    মডেল
    JYZ22-0.45-02

যোগাযোগ রাখুন

[#ইনপুট#]
জমা দিন
আমাদের সম্পর্কে
নিংবো হ্যানসন কমিউনিকেশন টেকনোলজি কোং, লি.
নিংবো হ্যানসন কমিউনিকেশন টেকনোলজি কোং, লি.
Ningbo Hanson Communication Technology Co., Ltd. is China আরএফ গ্লাস ইনসুলেটর Supplier and Custom আরএফ গ্লাস ইনসুলেটর Company. We are a manufacturer specializing in the production, processing, and trade of communication components, with more than 30 years of experience in RF coaxial connectors, adapters, and cable assemblies. কোম্পানিটি এখন তার নিজস্ব মেশিনিং ওয়ার্কশপ, ইলেক্ট্রোপ্লেটিং ওয়ার্কশপ, অ্যাসেম্বলি ওয়ার্কশপ এবং স্থিতিশীল এবং নির্ভরযোগ্য সরবরাহকারীদের একটি গ্রুপ তৈরি করেছে। কোম্পানির উদ্দেশ্য উচ্চ মানের পণ্য সঙ্গে গ্রাহকদের প্রদান করা হয়. প্রধান পণ্য হল আরএফ কোঅক্সিয়াল সংযোগকারী, অ্যাডাপ্টার, উচ্চ-ফ্রিকোয়েন্সি তারের সমাবেশ এবং কম ইন্টারমডুলেশন তারের সমাবেশ। উপরন্তু, কোম্পানি পণ্যের জন্য গ্রাহকদের বিশেষ প্রয়োজনীয়তা পূরণের জন্য কাস্টমাইজড চাহিদা সহ গ্রাহকদের জন্য পরিষেবা প্রদান করতে পারে। কোম্পানির পণ্যগুলি মহাকাশ, যোগাযোগ বেস স্টেশন, চিকিৎসা সরঞ্জাম এবং অন্যান্য উচ্চ প্রযুক্তির ক্ষেত্রে ব্যাপকভাবে ব্যবহৃত হয়। এন্টারপ্রাইজ সংস্কার, উদ্ভাবন, উন্নয়ন এবং বৃদ্ধির সময়ে, কোম্পানিটি ISO9001 আন্তর্জাতিক মান ব্যবস্থাপনা সিস্টেমে যোগদানের উদ্যোগ নেয় এবং নতুন এবং পুরানো গ্রাহকদের আরও সন্তোষজনক পণ্য এবং পরিষেবা প্রদানের জন্য ক্রমাগত ব্যবস্থাপনা স্তর উন্নত করে।
সর্বশেষ খবর
ব্যবসার সুযোগ খুঁজছেন?

আজ একটি কল করার জন্য অনুরোধ