OEM SMPM Hermetically সিল সংযোগকারী Supplier

নিংবো হ্যানসন কমিউনিকেশন টেকনোলজি কোং, লি. বাড়ি / পণ্য / Hermetically সিল সিরিজ / SMPM Hermetically সিল সংযোগকারী

SMPM Hermetically সিল সংযোগকারী

বর্ণনা:

SMPM (সাবমিনিয়েচার পুশ-অন মাইক্রো) সিল করা সংযোগকারী হল একটি ক্ষুদ্রাকৃতির আরএফ সংযোগকারী যার সম্পূর্ণ পালানো, আধা-এসকেপমেন্ট এবং হালকা গর্ত, উচ্চ ফ্রিকোয়েন্সি, কমপ্যাক্ট স্পেস এবং লাইটওয়েট অ্যাপ্লিকেশনের জন্য ডিজাইন করা হয়েছে। এটি একটি পুশ-অন সংযোগকারী, যা সাধারণত যোগাযোগ এবং ইলেকট্রনিক সরঞ্জামগুলিতে ব্যবহৃত হয় যার জন্য কম ওজন, উচ্চ নির্ভরযোগ্যতা এবং ছোট আকারের প্রয়োজন হয়। SMPM সংযোগকারীর উচ্চ সিগন্যাল ট্রান্সমিশন গুণমান রয়েছে এবং ভাল বৈদ্যুতিক কর্মক্ষমতা প্রদান করতে পারে।

খোঁজখবর নিন

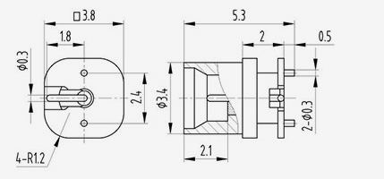
মৌলিক গঠন:
SMPM-J টাইপ এয়ার-সিলড আরএফ কোএক্সিয়াল সংযোগকারী তিনটি অংশ নিয়ে গঠিত: বাইরের কন্ডাক্টর, কাচের মাঝারি এবং ভিতরের কন্ডাকটর, মৌলিক কাঠামোটি নীচের চিত্রে দেখানো হয়েছে:

প্রধান প্রযুক্তিগত পরামিতি:

বৈদ্যুতিক বৈশিষ্ট্য
বৈশিষ্ট্যগত প্রতিবন্ধকতা 50Ω ফ্রিকোয়েন্সি রেঞ্জ DC~40GHz
অস্তরক প্রতিরোধক ভোল্টেজ 500Vrms অন্তরণ প্রতিরোধের 2000M Ω
ভোল্টেজ VSWR <1.4 সন্নিবেশ ক্ষতি ≤0.05 √f dB(GHz)
উপাদান এবং যান্ত্রিক, পরিবেশগত বৈশিষ্ট্য
আবরণ লাভযোগ্য খাদ/সোনার ধাতুপট্টাবৃত পিন লাভযোগ্য খাদ/সোনার ধাতুপট্টাবৃত
নিরোধক মাধ্যম গ্লাস সংযোগকারী স্থায়িত্ব সম্পূর্ণ পলায়ন 100 বার
ফুটো হার ≤1.01325×10 পা ·m³/s অপটিক্যাল গর্ত 1000 বার
অপারেটিং তাপমাত্রা -65℃~ 165℃

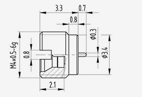
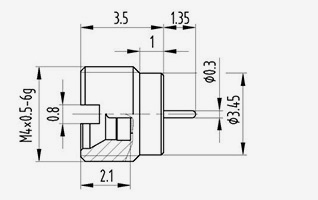
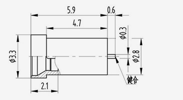
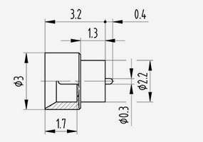
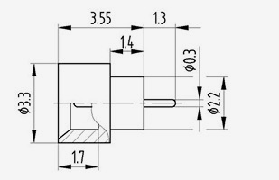
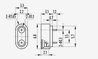
ইন্টারফেসের আকার:
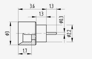
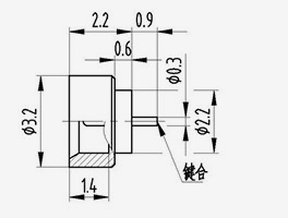
SMPM-J টাইপ এয়ার-সিল করা আরএফ কোঅক্সিয়াল সংযোগকারীর দুটি ইন্টারফেস ফর্ম রয়েছে: সম্পূর্ণ পালানো এবং বেয়ার হোল। মডেল নামকরণের সময়, F সম্পূর্ণ পালানোর নির্দেশ করে এবং
এস মানে আলোর গর্ত। ইন্টারফেসের মাত্রাগুলিকে স্ট্যান্ডার্ড ইন্টারফেস মাত্রা এবং সংক্ষিপ্ত ইন্টারফেস মাত্রায় বিভক্ত করা হয়েছে, উভয়ই SMPM-K টাইপ প্লাগের সাথে আন্তঃমিলযোগ্য।
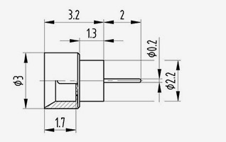
স্ট্যান্ডার্ড ইন্টারফেস আকার:

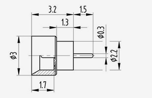
সংক্ষিপ্ত ইন্টারফেস মাত্রা:

SMPM SERIES
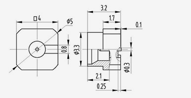
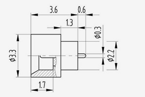
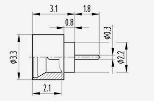
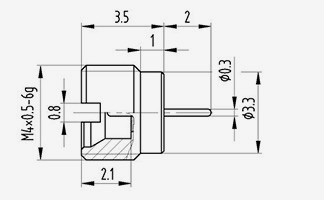
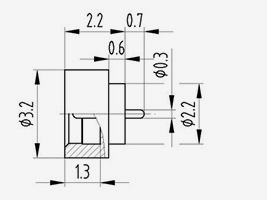
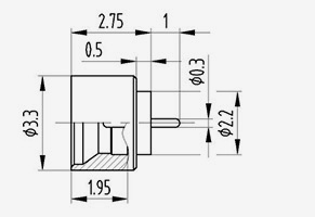
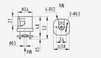
  • SMPM(M)-JYD3S
    SMPM(M)-JYD3S
    মডেল মন্তব্য
    SMPM(M)-JYD3S মসৃণ বোর
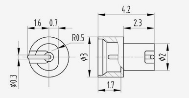
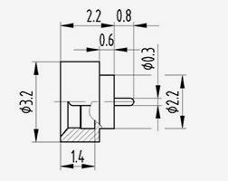
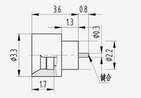
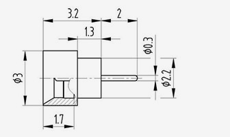
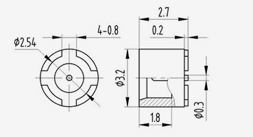
  • SMPM(M)-JYD5S
    SMPM(M)-JYD5S
    মডেল মন্তব্য
    SMPM(M)-JYD5S মসৃণ বোর
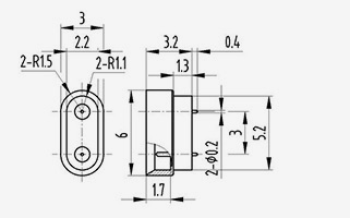
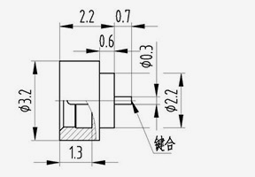
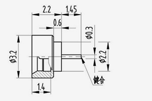
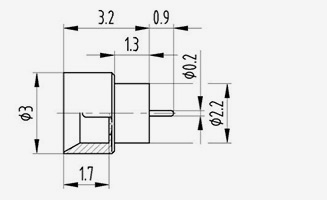
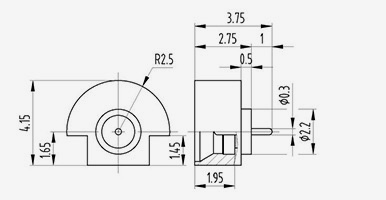
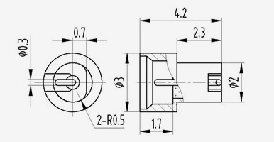
  • SMPM(M)-JYD8F
    SMPM(M)-JYD8F
    মডেল মন্তব্য
    SMPM(M)-JYD8F সম্পূর্ণ আটক
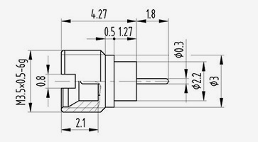
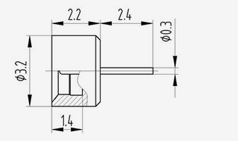
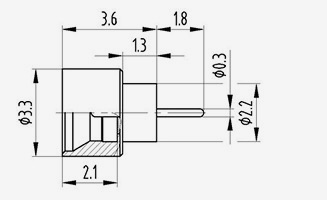
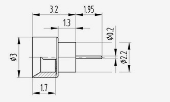
  • SMPM(M)-JYD10F
    SMPM(M)-JYD10F
    মডেল মন্তব্য
    SMPM(M)-JYD10F সম্পূর্ণ আটক
  • SMPM(M)-JYD12S
    SMPM(M)-JYD12S
    মডেল মন্তব্য
    SMPM(M)-JYD12S মসৃণ বোর
  • SMPM(M)-JYD13F
    SMPM(M)-JYD13F
    মডেল মন্তব্য
    SMPM(M)-JYD13F সম্পূর্ণ আটক
  • SMPM(M)-JYD14F
    SMPM(M)-JYD14F
    মডেল মন্তব্য
    SMPM(M)-JYD14F সম্পূর্ণ আটক
  • SMPM(M)-JYD15F
    SMPM(M)-JYD15F
    মডেল মন্তব্য
    SMPM(M)-JYD15F সম্পূর্ণ আটক
  • SMPM(M)-JYD16S
    SMPM(M)-JYD16S
    মডেল মন্তব্য
    SMPM(M)-JYD16S মসৃণ বোর
  • SMPM(M)-JYD17S
    SMPM(M)-JYD17S
    মডেল মন্তব্য
    SMPM(M)-JYD17S মসৃণ বোর
  • SMPM(M)-JYD18S
    SMPM(M)-JYD18S
    মডেল মন্তব্য
    SMPM(M)-JYD18S মসৃণ বোর
  • SMPM(M)-JYD19S
    SMPM(M)-JYD19S
    মডেল মন্তব্য
    SMPM(M)-JYD19S মসৃণ বোর
  • SMPM(M)-JYD20F
    SMPM(M)-JYD20F
    মডেল মন্তব্য
    SMPM(M)-JYD20F সম্পূর্ণ আটক
  • SMPM(M)-JYD21S
    SMPM(M)-JYD21S
    মডেল মন্তব্য
    SMPM(M)-JYD21S মসৃণ বোর
  • SMPM(M)-JYD22F
    SMPM(M)-JYD22F
    মডেল মন্তব্য
    SMPM(M)-JYD22F সম্পূর্ণ আটক
  • SMPM(M)-JYD23S
    SMPM(M)-JYD23S
    মডেল মন্তব্য
    SMPM(M)-JYD23S মসৃণ বোর
  • SMPM(M)-JYD24F
    SMPM(M)-JYD24F
    মডেল মন্তব্য
    SMPM(M)-JYD24F সম্পূর্ণ আটক
  • SMPM(M)-JYD25F
    SMPM(M)-JYD25F
    মডেল মন্তব্য
    SMPM(M)-JYD25F সম্পূর্ণ আটক
  • SMPM(M)-JYD26F
    SMPM(M)-JYD26F
    মডেল মন্তব্য
    SMPM(M)-JYD26F সম্পূর্ণ আটক
  • SMPM(M)-JYD27S
    SMPM(M)-JYD27S
    মডেল মন্তব্য
    SMPM(M)-JYD27S মসৃণ বোর
  • SMPM(M)-JYD28S
    SMPM(M)-JYD28S
    মডেল মন্তব্য
    SMPM(M)-JYD28S মসৃণ বোর
  • SMPM(M)-JYD29F
    SMPM(M)-JYD29F
    মডেল মন্তব্য
    SMPM(M)-JYD29F সম্পূর্ণ আটক
  • SMPM(M)-JYD30S
    SMPM(M)-JYD30S
    মডেল মন্তব্য
    SMPM(M)-JYD30S মসৃণ বোর
  • SMPM(M)-JYD31F
    SMPM(M)-JYD31F
    মডেল মন্তব্য
    SMPM(M)-JYD31F সম্পূর্ণ আটক
  • SMPM(M)-JYD32F
    SMPM(M)-JYD32F
    মডেল মন্তব্য
    SMPM(M)-JYD32F সম্পূর্ণ আটক
  • SMPM(M)-JYD33S
    SMPM(M)-JYD33S
    মডেল মন্তব্য
    SMPM(M)-JYD33S মসৃণ বোর
  • SMPM(M)-JYD34S
    SMPM(M)-JYD34S
    মডেল মন্তব্য
    SMPM(M)-JYD34S মসৃণ বোর
  • SMPM(M)-JYD35S
    SMPM(M)-JYD35S
    মডেল মন্তব্য
    SMPM(M)-JYD35S মসৃণ বোর
  • SMPM(M)-JYD36S
    SMPM(M)-JYD36S
    মডেল মন্তব্য
    SMPM(M)-JYD36S মসৃণ বোর
  • SMPM(M)-JYD37S
    SMPM(M)-JYD37S
    মডেল মন্তব্য
    SMPM(M)-JYD37S মসৃণ বোর
  • SMPM(M)-JYD38S
    SMPM(M)-JYD38S
    মডেল মন্তব্য
    SMPM(M)-JYD38S মসৃণ বোর
  • SMPM(M)-JYD39S
    SMPM(M)-JYD39S
    মডেল মন্তব্য
    SMPM(M)-JYD39S মসৃণ বোর
  • SMPM(M)-JYD41S
    SMPM(M)-JYD41S
    মডেল মন্তব্য
    SMPM(M)-JYD41S মসৃণ বোর
  • SMPM(M)-JYD42S
    SMPM(M)-JYD42S
    মডেল মন্তব্য
    SMPM(M)-JYD42S মসৃণ বোর
  • SMPM(M)-JYD43F
    SMPM(M)-JYD43F
    মডেল মন্তব্য
    SMPM(M)-JYD43F সম্পূর্ণ আটক
  • SMPM(M)-JYD44F
    SMPM(M)-JYD44F
    মডেল মন্তব্য
    SMPM(M)-JYD44F সম্পূর্ণ আটক
  • SMPM(M)-JYD45S
    SMPM(M)-JYD45S
    মডেল মন্তব্য
    SMPM(M)-JYD45S মসৃণ বোর
  • SMPM(M)-JYD46S
    SMPM(M)-JYD46S
    মডেল মন্তব্য
    SMPM(M)-JYD46S মসৃণ বোর
  • SMPM(M)-JYD60F
    SMPM(M)-JYD60F
    মডেল মন্তব্য
    SMPM(M)-JYD60F সম্পূর্ণ আটক
  • SMPM(M)-JYD61F
    SMPM(M)-JYD61F
    মডেল মন্তব্য
    SMPM(M)-JYD61F সম্পূর্ণ আটক
  • SMPM(M)-JYD62F
    SMPM(M)-JYD62F
    মডেল মন্তব্য
    SMPM(M)-JYD62F সম্পূর্ণ আটক
  • SMPM(M)-JYD63S
    SMPM(M)-JYD63S
    মডেল মন্তব্য
    SMPM(M)-JYD63S মসৃণ বোর
  • SMPM(M)-JYD64S
    SMPM(M)-JYD64S
    মডেল মন্তব্য
    SMPM(M)-JYD64S মসৃণ বোর
  • SMPM(M)-JYD65S
    SMPM(M)-JYD65S
    মডেল মন্তব্য
    SMPM(M)-JYD65S মসৃণ বোর
  • SMPM(M)-JYD66S
    SMPM(M)-JYD66S
    মডেল মন্তব্য
    SMPM(M)-JYD66S মসৃণ বোর
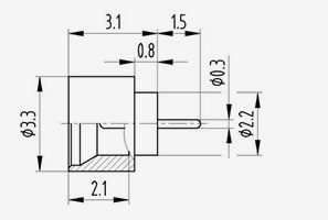
  • SMPM(M)-JHD1S
    SMPM(M)-JHD1S
    মডেল মন্তব্য
    SMPM(M)-JHD1S মসৃণ বোর
  • SMPM(M)-JHD2F
    SMPM(M)-JHD2F
    মডেল মন্তব্য
    SMPM(M)-JHD2F সম্পূর্ণ আটক
  • SMPM(M)-JHD3F
    SMPM(M)-JHD3F
    মডেল মন্তব্য
    SMPM(M)-JHD3F সম্পূর্ণ আটক
  • SMPM(M)-JHD4F
    SMPM(M)-JHD4F
    মডেল মন্তব্য
    SMPM(M)-JHD4F সম্পূর্ণ আটক
  • SMPM(M)-JHD6F
    SMPM(M)-JHD6F
    মডেল মন্তব্য
    SMPM(M)-JHD6F সম্পূর্ণ আটক
  • SMPM(M)-JHD21F
    SMPM(M)-JHD21F
    মডেল মন্তব্য
    SMPM(M)-JHD21F সম্পূর্ণ আটক
  • SMPM(M)-JFD1S
    SMPM(M)-JFD1S
    মডেল মন্তব্য
    SMPM(M)-JFD1S মসৃণ বোর
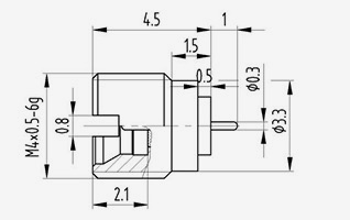
  • SMPM(M)-JWSD1S
    SMPM(M)-JWSD1S
    মডেল মন্তব্য
    SMPM(M)-JWSD1S মসৃণ বোর
  • SMPM(M)-JWSD8
    SMPM(M)-JWSD8
    মডেল মন্তব্য
    SMPM(M)-JWSD8
  • SMPM(M)-JWSD9S
    SMPM(M)-JWSD9S
    মডেল মন্তব্য
    SMPM(M)-JWSD9S মসৃণ বোর
  • SMPM(M)-JWSD10S
    SMPM(M)-JWSD10S
    মডেল মন্তব্য
    SMPM(M)-JWSD10S মসৃণ বোর
  • SMPM(M)-JSD1S
    SMPM(M)-JSD1S
    মডেল মন্তব্য
    SMPM(M)-JSD1S মসৃণ বোর

যোগাযোগ রাখুন

[#ইনপুট#]
জমা দিন
আমাদের সম্পর্কে
নিংবো হ্যানসন কমিউনিকেশন টেকনোলজি কোং, লি.
নিংবো হ্যানসন কমিউনিকেশন টেকনোলজি কোং, লি.
Ningbo Hanson Communication Technology Co., Ltd. is China SMPM Hermetically সিল সংযোগকারী Supplier and Custom SMPM Hermetically সিল সংযোগকারী Company. We are a manufacturer specializing in the production, processing, and trade of communication components, with more than 30 years of experience in RF coaxial connectors, adapters, and cable assemblies. কোম্পানিটি এখন তার নিজস্ব মেশিনিং ওয়ার্কশপ, ইলেক্ট্রোপ্লেটিং ওয়ার্কশপ, অ্যাসেম্বলি ওয়ার্কশপ এবং স্থিতিশীল এবং নির্ভরযোগ্য সরবরাহকারীদের একটি গ্রুপ তৈরি করেছে। কোম্পানির উদ্দেশ্য উচ্চ মানের পণ্য সঙ্গে গ্রাহকদের প্রদান করা হয়. প্রধান পণ্য হল আরএফ কোঅক্সিয়াল সংযোগকারী, অ্যাডাপ্টার, উচ্চ-ফ্রিকোয়েন্সি তারের সমাবেশ এবং কম ইন্টারমডুলেশন তারের সমাবেশ। উপরন্তু, কোম্পানি পণ্যের জন্য গ্রাহকদের বিশেষ প্রয়োজনীয়তা পূরণের জন্য কাস্টমাইজড চাহিদা সহ গ্রাহকদের জন্য পরিষেবা প্রদান করতে পারে। কোম্পানির পণ্যগুলি মহাকাশ, যোগাযোগ বেস স্টেশন, চিকিৎসা সরঞ্জাম এবং অন্যান্য উচ্চ প্রযুক্তির ক্ষেত্রে ব্যাপকভাবে ব্যবহৃত হয়। এন্টারপ্রাইজ সংস্কার, উদ্ভাবন, উন্নয়ন এবং বৃদ্ধির সময়ে, কোম্পানিটি ISO9001 আন্তর্জাতিক মান ব্যবস্থাপনা সিস্টেমে যোগদানের উদ্যোগ নেয় এবং নতুন এবং পুরানো গ্রাহকদের আরও সন্তোষজনক পণ্য এবং পরিষেবা প্রদানের জন্য ক্রমাগত ব্যবস্থাপনা স্তর উন্নত করে।
সর্বশেষ খবর
ব্যবসার সুযোগ খুঁজছেন?

আজ একটি কল করার জন্য অনুরোধ