OEM 1.85 মিমি আরএফ কোক্সিয়াল সংযোগকারী Supplier

নিংবো হ্যানসন কমিউনিকেশন টেকনোলজি কোং, লি. বাড়ি / পণ্য / আরএফ কোঅক্সিয়াল সংযোগকারী / 1.85 মিমি আরএফ কোক্সিয়াল সংযোগকারী

1.85 মিমি আরএফ কোক্সিয়াল সংযোগকারী

বর্ণনা:

1.85mm সিরিজ সংযোগকারী (1.85mm RF সংযোগকারী নামেও পরিচিত) হল একটি উচ্চ-পারফরম্যান্স রেডিও ফ্রিকোয়েন্সি (RF) সংযোগকারী যা প্রাথমিকভাবে এমন অ্যাপ্লিকেশনগুলিতে ব্যবহৃত হয় যেগুলির জন্য উচ্চ ফ্রিকোয়েন্সি, উচ্চ নির্ভুলতা এবং কম ক্ষতির প্রয়োজন হয়, বিশেষ করে 26.5 GHz বা উচ্চতর সিগন্যাল ট্রান্সমিশনে। এটি SMA সিরিজের সংযোগকারীর একটি কমপ্যাক্ট ডিজাইন যা ভি টাইপ (2.92 মিমি) বা কে টাইপ (1.0 মিমি) এর মতো অন্যান্য উচ্চ-ফ্রিকোয়েন্সি সংযোগকারীর তুলনায় একটি ছোট আকার এবং উচ্চ ফ্রিকোয়েন্সি কর্মক্ষমতা প্রদান করে।

পরামিতি:

প্রধান প্রযুক্তিগত বিশেষ উল্লেখ:
◆ চরিত্রগত প্রতিবন্ধকতা: 50Ω
◆ ফ্রিকোয়েন্সি রেঞ্জ: DC~67GHz
◆ অন্তরণ প্রতিরোধের: ≥3000MΩ
◆ অস্তরক প্রতিরোধী ভোল্টেজ: 500V(rms)
◆ ভোল্টেজ স্ট্যান্ডিং ওয়েভ রেশিও (VSWR): ≤1.30
◆ সঙ্গম চক্র: 500 বার

খোঁজখবর নিন
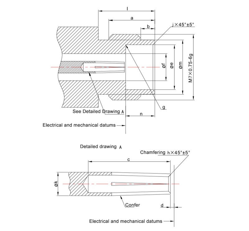
  • 1.85মিমি সিরিজ জ্যাক পরিচিতি সংযোগকারী ইন্টারফেস

আকার মিমি মধ্যে
মিনিট সর্বোচ্চ মিনিট সর্বোচ্চ
1.850 2.450 0.073 0.096
4.370 4.630 0.172 0.182
0.000 0.0762 0.000 0.003
d 3.380 3.480 0.133 0.137
e 0.250 0.360 0.010 0.014
- RO.050 - R0.002
g 28° 32° 28° 32°
0.7909 0.8163 0.0311 0.0321
j 1.335 1.445 0.053 0.057
k 0.000 0.250 0.000 0.010
l 7.010 7.110 0.276 0.280
m 4.725 4.750 0.186 0.187
n 1.8373 1.8627 0.07233 0.0733
পি 0.498 0.523 0.0196 0.0206
q 0.508 0.762 0.020 0.030

নোট:
1. যান্ত্রিক এবং বৈদ্যুতিক রেফারেন্স পৃষ্ঠতল.
2. ক্লাস 1 সংযোগকারীর জন্য প্রয়োজনীয় ওয়াশার।
3. ফরওয়ার্ড অফসেট সঙ্গে সংযোগ বাদাম.



  • 1.85মিমি সিরিজ জ্যাক পরিচিতি সংযোগকারী ইন্টারফেস

আকার মিমি মধ্যে
মিনিট সর্বোচ্চ মিনিট সর্বোচ্চ
4.800 5.060 0.189 0.199
1.370 1.630 0.054 0.064
2.650 - 0.104 -
d 0.000 0.0762 0.000 0.003
e 4.770 4.795 0.1878 0.1888
1.8373 1.8627 0.07233 0.07333
g - R0.130 - R0.005
0.100 0.130 0.004 0.005
j 0.100 0.200 0.004 0.008
k 0.7909 0.8163 0.0311 0.0321
l 6.000 - 0.236 -
m 5.790 5.890 0.228 0.232
n 3.000 3.100 0.118 0.122

নোট:
সকেট যোগাযোগ টুকরা গঠন নির্বিচারে হয়. 0.498mm থেকে 0.523mm ব্যাসযুক্ত পিনের সাথে মিলনের সময়, মাত্রাগুলি প্রতিফলন সহগ, মিলনের বৈশিষ্ট্য এবং সংযোগকারীর স্থায়িত্বের প্রয়োজনীয়তাগুলি পূরণ করবে৷

1.85 মিমি SERIES
  • 1.85-JB1
    1.85-JB1
    মডেল তারের ধরন
    1.85-জেবি1 SFT-50-1,670-047
  • 1.85-KB1
    1.85-KB1
    মডেল তারের ধরন
    1.85-KB1 SFT-50-1,670-047

যোগাযোগ রাখুন

[#ইনপুট#]
জমা দিন
আমাদের সম্পর্কে
নিংবো হ্যানসন কমিউনিকেশন টেকনোলজি কোং, লি.
নিংবো হ্যানসন কমিউনিকেশন টেকনোলজি কোং, লি.
Ningbo Hanson Communication Technology Co., Ltd. is China 1.85 মিমি আরএফ কোক্সিয়াল সংযোগকারী Supplier and Custom 1.85 মিমি আরএফ কোক্সিয়াল সংযোগকারী Company. We are a manufacturer specializing in the production, processing, and trade of communication components, with more than 30 years of experience in RF coaxial connectors, adapters, and cable assemblies. কোম্পানিটি এখন তার নিজস্ব মেশিনিং ওয়ার্কশপ, ইলেক্ট্রোপ্লেটিং ওয়ার্কশপ, অ্যাসেম্বলি ওয়ার্কশপ এবং স্থিতিশীল এবং নির্ভরযোগ্য সরবরাহকারীদের একটি গ্রুপ তৈরি করেছে। কোম্পানির উদ্দেশ্য উচ্চ মানের পণ্য সঙ্গে গ্রাহকদের প্রদান করা হয়. প্রধান পণ্য হল আরএফ কোঅক্সিয়াল সংযোগকারী, অ্যাডাপ্টার, উচ্চ-ফ্রিকোয়েন্সি তারের সমাবেশ এবং কম ইন্টারমডুলেশন তারের সমাবেশ। উপরন্তু, কোম্পানি পণ্যের জন্য গ্রাহকদের বিশেষ প্রয়োজনীয়তা পূরণের জন্য কাস্টমাইজড চাহিদা সহ গ্রাহকদের জন্য পরিষেবা প্রদান করতে পারে। কোম্পানির পণ্যগুলি মহাকাশ, যোগাযোগ বেস স্টেশন, চিকিৎসা সরঞ্জাম এবং অন্যান্য উচ্চ প্রযুক্তির ক্ষেত্রে ব্যাপকভাবে ব্যবহৃত হয়। এন্টারপ্রাইজ সংস্কার, উদ্ভাবন, উন্নয়ন এবং বৃদ্ধির সময়ে, কোম্পানিটি ISO9001 আন্তর্জাতিক মান ব্যবস্থাপনা সিস্টেমে যোগদানের উদ্যোগ নেয় এবং নতুন এবং পুরানো গ্রাহকদের আরও সন্তোষজনক পণ্য এবং পরিষেবা প্রদানের জন্য ক্রমাগত ব্যবস্থাপনা স্তর উন্নত করে।
সর্বশেষ খবর
ব্যবসার সুযোগ খুঁজছেন?

আজ একটি কল করার জন্য অনুরোধ