OEM TNC সংযোগকারী Supplier

TNC সংযোগকারী

বর্ণনা:

TNC সিরিজের আরএফ কোঅক্সিয়াল সংযোগকারীগুলি মার্কিন সামরিক মান MIL-C-39012 অনুযায়ী তৈরি এবং উত্পাদিত হয়। তাদের বিস্তৃত ব্যান্ডউইথ, নির্ভরযোগ্য সংযোগ এবং ভাল শক প্রতিরোধের বৈশিষ্ট্য রয়েছে। এগুলি রেডিও সরঞ্জাম, ইলেকট্রনিক যন্ত্র, বিভিন্ন লেজার উপাদানগুলির সংকেত ইনপুট এবং আউটপুটের জন্য সংযোগকারী এবং আরএফ তারের জন্য উপযুক্ত৷

পরামিতি:

প্রধান প্রযুক্তিগত বিশেষ উল্লেখ:
◆ চরিত্রগত প্রতিবন্ধকতা: 50Ω
◆ ফ্রিকোয়েন্সি রেঞ্জ: DC-18GHz
◆ অন্তরণ প্রতিরোধের: ≥5000MΩ
◆ অস্তরক প্রতিরোধী ভোল্টেজ: 1500V(rms)
◆ ভোল্টেজ স্ট্যান্ডিং ওয়েভ রেশিও (VSWR): ≤1.30
◆ সঙ্গম চক্র: 500 বার

খোঁজখবর নিন

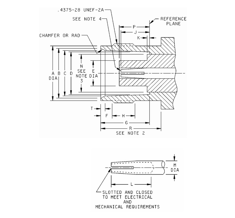
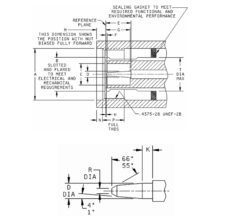
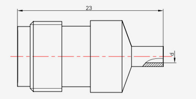
আবছা
লে
মিলিমিটার (ইঞ্চি)
সর্বনিম্ন সর্বোচ্চ
.378 (9.60) .381 (9.68)
.346 (8.79) .356 (9.04)
.327 (8.31) .333 (8.46)
ডি .319 (8.10) .321 (8.15)
------- .186 (4.72)
.068 (1.73) .088 (2.24)
জি .327 (8.31) .335 (8.51)
এইচ .187 (4.75) -------
জে .186 (4.72) .206 (5.23)
কে ------- .006 (0.15)
এল .195 (4.95) -------
এম .081 (2.06) .087 (2.21)
এন ------- .256 (6.50)
পৃ .188 (4.78) .208 (5.28)
আর .414 (10.52) -------
টি .015 (0.38) .030 (0.76)

নোট:
1. এই ইন্টারফেসটি নির্দিষ্ট করা গেজের প্রয়োজনীয়তা পূরণ করবে
এমIL-পৃআরচ-39012/28।
2. সঙ্গম সংযোগকারী কাপলিং বাদাম জন্য ক্লিয়ারেন্স.
3. ডাইইলেকট্রিকের সেই অংশে (যদি প্রযোজ্য হয়) মাত্রা প্রযোজ্য
যা ধাতু অতিক্রম protrudes
কাঁধ (বা রেফারেন্স প্লেন) মাত্রা কে দ্বারা।
4. .052 ইঞ্চি (1.32 মিমি)/.054 (1.37 মিমি) ব্যাসের পিনের সাথে মিলিত হলে VSwR-এর সাথে দেখা করতে আইডি।

আবছা
লে
মিলিমিটার (ইঞ্চি)
সর্বনিম্ন সর্বোচ্চ
.440 (11.18) -------
জিauge test
.190 (4.83) -------
ডি .052 (1.32) .054 (1.37)
.210 (5.33) .230 (5.84)
.006 (0.15) -------
জি .208 (5.28) .228 (5.79)
এইচ .003 (0.08) .040 (1.02)
কে .078 (1.98) -------
এম ------- .078 (1.98)
এন .063 (1.60) -------
পৃ .156 (3.96) -------
আর ------- .025 (0.64)
টি ------- .322 (8.18)

নোট:
1. এই ইন্টারফেসটি নির্দিষ্ট করা গেজের প্রয়োজনীয়তা পূরণ করবে MIL-PRF-39012/26.

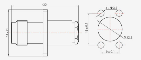
TNC SERIES
  • TNC-KF3A
    TNC-KF3A
    মডেল তারের ধরন
    TNC-KF3A SYV-50-2-1, RG316
    TNC-KF5A SYV-50-3,RG142,SFCJ-50-3-51
  • TNC-KF3A-1
    TNC-KF3A-1
    মডেল তারের ধরন
    TNC-KF3A-1 SYV-50-2-1,RG316
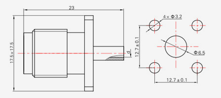
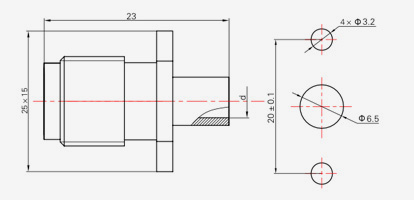
  • TNC-JB2
    TNC-JB2
    মডেল তারের ধরন d
    TNC-JB2 SFT-50-2,670-086 Φ2.2
    TNC-JB3 SFT-50-3,670-141 Φ3.6
  • TNC-JWB2
    TNC-JWB2
    মডেল তারের ধরন d
    TNC-JWB2 SFT-50-2,670-086 Φ2.2
    TNC-JWB3 SFT-50-3,670-141 Φ3.6
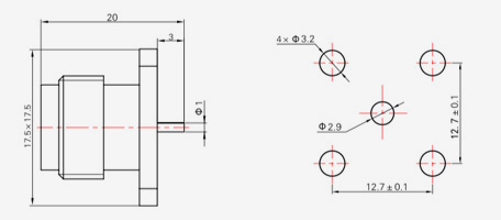
  • TNC-KB2
    TNC-KB2
    মডেল তারের ধরন d
    TNC-KB2 SFT-50-2,670-086 Φ2.2
    TNC-KB3 SFT-50-3,670-141 Φ3.6
  • TNC-KFB2
    TNC-KFB2
    মডেল তারের ধরন d
    TNC-KFB2 SFT-50-2,670-086 Φ2.2
    TNC-KFB3 SFT-50-3,670-141 Φ3.6
  • TNC-KFB2-1
    TNC-KFB2-1
    মডেল তারের ধরন d
    TNC-KFB2-1 SFT-50-2,670-086 Φ2.2
    TNC-KFB3-1 SFT-50-3,670-141 Φ3.6
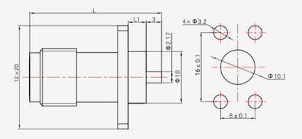
  • TNC-KFD2
    TNC-KFD2
    মডেল এল এল1
    KFD2 27 3.5
    KFD3 22 2
  • TNC-J3A
    TNC-J3A
    মডেল তারের ধরন
    TNC-J3A SYV-50-2-1, RG316
    TNC-J5A SYV-50-3-4, RG142, SFCJ-50-3-51
    TNC-J5AC
  • TNC-J4
    TNC-J4
    মডেল তারের ধরন এল
    TNC-J4 SYV-50-2-2 31
    TNC-J5 SYV-50-3-4, SFCJ-50-3-51,RG316 31
    TNC-(K)5
    TNC-J5C
    TNC-J7 SYV-50-5-1, SFCJ-50-5-51 36
    TNC-J7C
    TNC-J10 SYV-50-7-1, SYV-50-7-2, SFCJ-50-7-51 36
    TNC-J10C
  • TNC-JW5
    TNC-JW5
    মডেল তারের ধরন
    TNC-JW5 SYV-50-3-4, SFCJ-50-3-51, RG142
    TNC-JW7 SYV-50-5-1, SFCJ-50-5-51
    TNC-JW10 SYV-50-7-2, SFCJ-50-7-51
  • TNC-JW5-1
    TNC-JW5-1
    মডেল তারের ধরন
    TNC-JW5-1 SYV-50-3-4,SFCJ-50-3-51,RG142
  • TNC-K5
    TNC-K5
    মডেল তারের ধরন এল
    TNC-K5 SYV-50-3-4, SFCJ-50-3-51, RG142 31
    TNC-(J)5
    TNC-K7 SYV-50-5-1, SFCJ-50-5-51 33
    TNC-K10 SYV-50-7-1, SYV-50-7-2, SFCJ-50-7-51 33
  • TNC-KFD1
    TNC-KFD1
  • TNC-KFD4
    TNC-KFD4

যোগাযোগ রাখুন

[#ইনপুট#]
জমা দিন
আমাদের সম্পর্কে
নিংবো হ্যানসন কমিউনিকেশন টেকনোলজি কোং, লি.
নিংবো হ্যানসন কমিউনিকেশন টেকনোলজি কোং, লি.
Ningbo Hanson Communication Technology Co., Ltd. is China TNC সংযোগকারী Supplier and Custom TNC সংযোগকারী Company. We are a manufacturer specializing in the production, processing, and trade of communication components, with more than 30 years of experience in RF coaxial connectors, adapters, and cable assemblies. কোম্পানিটি এখন তার নিজস্ব মেশিনিং ওয়ার্কশপ, ইলেক্ট্রোপ্লেটিং ওয়ার্কশপ, অ্যাসেম্বলি ওয়ার্কশপ এবং স্থিতিশীল এবং নির্ভরযোগ্য সরবরাহকারীদের একটি গ্রুপ তৈরি করেছে। কোম্পানির উদ্দেশ্য উচ্চ মানের পণ্য সঙ্গে গ্রাহকদের প্রদান করা হয়. প্রধান পণ্য হল আরএফ কোঅক্সিয়াল সংযোগকারী, অ্যাডাপ্টার, উচ্চ-ফ্রিকোয়েন্সি তারের সমাবেশ এবং কম ইন্টারমডুলেশন তারের সমাবেশ। উপরন্তু, কোম্পানি পণ্যের জন্য গ্রাহকদের বিশেষ প্রয়োজনীয়তা পূরণের জন্য কাস্টমাইজড চাহিদা সহ গ্রাহকদের জন্য পরিষেবা প্রদান করতে পারে। কোম্পানির পণ্যগুলি মহাকাশ, যোগাযোগ বেস স্টেশন, চিকিৎসা সরঞ্জাম এবং অন্যান্য উচ্চ প্রযুক্তির ক্ষেত্রে ব্যাপকভাবে ব্যবহৃত হয়। এন্টারপ্রাইজ সংস্কার, উদ্ভাবন, উন্নয়ন এবং বৃদ্ধির সময়ে, কোম্পানিটি ISO9001 আন্তর্জাতিক মান ব্যবস্থাপনা সিস্টেমে যোগদানের উদ্যোগ নেয় এবং নতুন এবং পুরানো গ্রাহকদের আরও সন্তোষজনক পণ্য এবং পরিষেবা প্রদানের জন্য ক্রমাগত ব্যবস্থাপনা স্তর উন্নত করে।
সর্বশেষ খবর
ব্যবসার সুযোগ খুঁজছেন?

আজ একটি কল করার জন্য অনুরোধ