OEM SMP Hermetically সিল সংযোগকারী Supplier

নিংবো হ্যানসন কমিউনিকেশন টেকনোলজি কোং, লি. বাড়ি / পণ্য / Hermetically সিল সিরিজ / SMP Hermetically সিল সংযোগকারী

SMP Hermetically সিল সংযোগকারী

বর্ণনা:

এসএমপি-জে টাইপ হারমেটিক আরএফ কোএক্সিয়াল সংযোগকারীতে হারমেটিক প্যাকেজিংয়ের বৈশিষ্ট্য রয়েছে এবং টিউব শেল বা ডিভাইস প্যানেলে প্যাকেজ এবং ঝালাই করা যেতে পারে। এই পণ্যটির শেল এবং ভিতরের কন্ডাক্টর কোভার খাদ উপাদান দিয়ে তৈরি, এবং পৃষ্ঠটি শক্ত সোনা বা নরম সোনা দিয়ে প্রলেপ দেওয়া যেতে পারে; অন্তরক মাধ্যমটি উচ্চ তাপমাত্রায় সিন্টার করা কাচ দিয়ে তৈরি, এবং অস্তরক ধ্রুবক প্রায় 4। এতে ছোট আকার, হালকা ওজন, হারমেটিক সিলিং, উচ্চ নির্ভরযোগ্যতা ইত্যাদির সুবিধা রয়েছে। এটি বেশিরভাগ ক্ষেত্রে সিলিং প্রয়োজনীয়তা বা পণ্যের পরিমাণ এবং ওজনের বিশেষ প্রয়োজনীয়তার ক্ষেত্রে ব্যবহৃত হয় এবং নিবিড় ইনস্টলেশনের জন্য উপযুক্ত।

খোঁজখবর নিন

মৌলিক গঠন:
SMP-J টাইপ এয়ার-সিলড আরএফ কোএক্সিয়াল কানেক্টরে সাধারণত তিনটি অংশ থাকে: বাইরের কন্ডাক্টর, কাচের মাঝারি এবং ভিতরের কন্ডাকটর, এবং মৌলিক কাঠামো চিত্রে দেখানো হয়েছে।

যখন পণ্যের অভ্যন্তরীণ কন্ডাকটরের উন্মুক্ত অংশটি সন্নিবেশ বা পৃষ্ঠ ঢালাই দ্বারা সংযুক্ত করা হয়, তখন অভ্যন্তরীণ পরিবাহীর শেষ মুখটি একটি গোলাকার মাথা হিসাবে উত্পাদিত হতে পারে; যখন পণ্যের অভ্যন্তরীণ কন্ডাকটরের উন্মুক্ত অংশটি বন্ধন দ্বারা সংযুক্ত থাকে, তখন অভ্যন্তরীণ পরিবাহীর শেষ মুখটি একটি সমতল মাথা হিসাবে উত্পাদিত হতে পারে বা অভ্যন্তরীণ পরিবাহীর উন্মুক্ত অংশের পাশে মিল করা যেতে পারে।

প্রধান প্রযুক্তিগত পরামিতি:

বৈদ্যুতিক বৈশিষ্ট্য
বৈশিষ্ট্যগত প্রতিবন্ধকতা 50Ω ফ্রিকোয়েন্সি রেঞ্জ DC~40GHz
অস্তরক প্রতিরোধক ভোল্টেজ 500Vrms অন্তরণ প্রতিরোধের 2000M Ω
ভোল্টেজ VSWR <1.4 সন্নিবেশ ক্ষতি ≤0.05 √f dB(GHz)
উপাদান এবং যান্ত্রিক, পরিবেশগত বৈশিষ্ট্য
আবরণ লাভযোগ্য খাদ/সোনার ধাতুপট্টাবৃত পিন প্লাগ থোরিয়াম অর্পণযোগ্য খাদ সোনার প্রলেপ
নিরোধক মাধ্যম গ্লাস সংযোগকারী স্থায়িত্ব সম্পূর্ণ আটক ≥100 বার
ফুটো হার ≤1.01325×10 পা ·m³/s সীমিত আটক ≥500 বার
অপারেটিং তাপমাত্রা -65℃~ 165℃ মসৃণ বোর ≥1000 বার

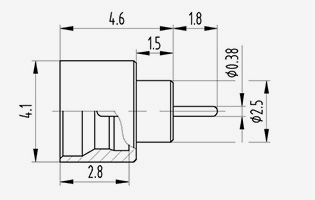
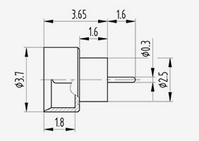
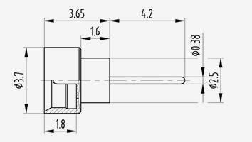
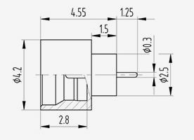
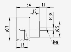
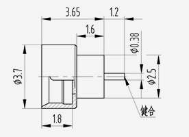
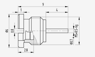
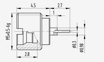
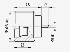
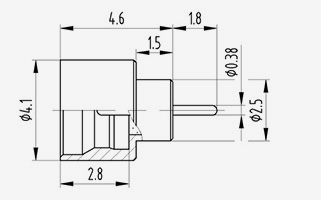
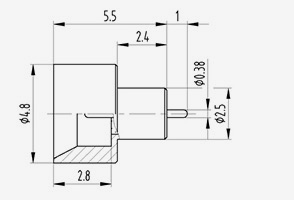
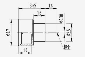
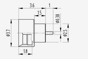
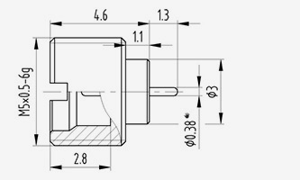
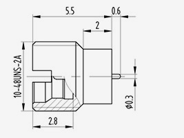
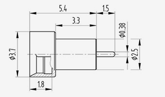
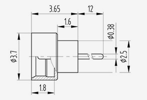
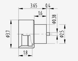
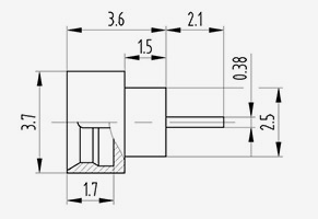
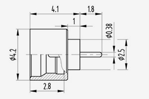
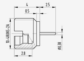
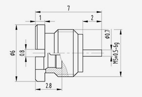
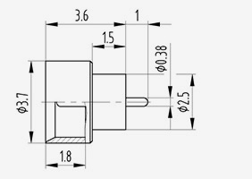
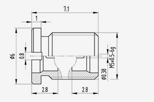
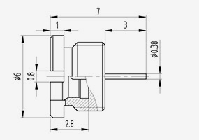
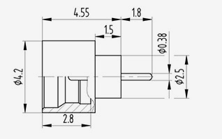
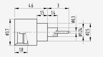
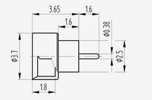
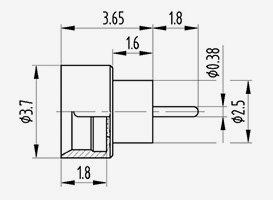
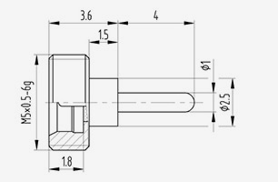
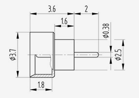
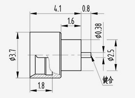
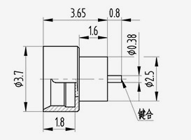
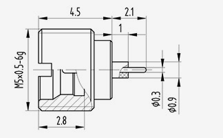
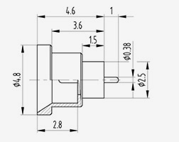
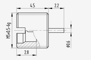
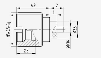
ইন্টারফেসের মাত্রা:
এসএমপি-জে টাইপ এয়ার-সিল করা আরএফ কোএক্সিয়াল সংযোগকারীর তিনটি ইন্টারফেস ফর্ম রয়েছে: ফুল এস্কেপমেন্ট, হাফ এস্কেপমেন্ট এবং লাইট হোল। মডেলের নামকরণের সময়, F মানে ফুল এস্কেপমেন্ট, L মানে হাফ ইস্কেপমেন্ট, এবং S মানে আলোর গর্ত। ইন্টারফেসের মাত্রাগুলিকে স্ট্যান্ডার্ড ইন্টারফেস মাত্রা এবং সংক্ষিপ্ত ইন্টারফেস মাত্রায় বিভক্ত করা হয়েছে, উভয়ই SMP-K টাইপ প্লাগের সাথে আন্তঃমিলযোগ্য।

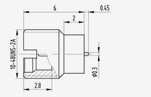
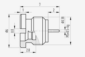
স্ট্যান্ডার্ড ইন্টারফেস আকার:

সংক্ষিপ্ত ইন্টারফেসের আকার:

SMP SERIES
  • SMP(M)-JYD3S
    SMP(M)-JYD3S
    মডেল মন্তব্য
    SMP(M)-JYD3S মসৃণ বোর
  • SMP(M)-JYD6L
    SMP(M)-JYD6L
    মডেল মন্তব্য
    SMP(M)-JYD6L সীমিত আটক
  • SMP(M)-JYD12L
    SMP(M)-JYD12L
    মডেল মন্তব্য
    SMP(M)-JYD12L সম্পূর্ণ আটক
  • SMP(M)-JYD13F
    SMP(M)-JYD13F
    মডেল মন্তব্য
    SMP(M)-JYD13F সম্পূর্ণ আটক
  • SMP(M)-JYD14L
    SMP(M)-JYD14L
    মডেল মন্তব্য
    SMP(M)-JYD14L সীমিত আটক
  • SMP(M)-JYD17S
    SMP(M)-JYD17S
    মডেল মন্তব্য
    SMP(M)-JYD17S মসৃণ বোর
  • SMP(M)-JYD19L
    SMP(M)-JYD19L
    মডেল মন্তব্য
    SMP(M)-JYD19L সীমিত আটক
  • SMP(M)-JYD22S
    SMP(M)-JYD22S
    মডেল মন্তব্য
    SMP(M)-JYD22S সীমিত আটক
  • SMP(M)-JYD23S
    SMP(M)-JYD23S
    মডেল মন্তব্য
    SMP(M)-JYD23S সীমিত আটক
  • SMP(M)-JYD24S
    SMP(M)-JYD24S
    মডেল মন্তব্য
    SMP(M)-JYD24S সীমিত আটক
  • SMP(M)-JYD25L
    SMP(M)-JYD25L
    মডেল মন্তব্য
    SMP(M)-JYD25L সীমিত আটক
  • SMP(M)-JYD26L
    SMP(M)-JYD26L
    মডেল মন্তব্য
    SMP(M)-JYD26L সীমিত আটক
  • SMP(M)-JYD27L
    SMP(M)-JYD27L
    মডেল মন্তব্য
    SMP(M)-JYD27L সীমিত আটক
  • SMP(M)-JYD28L
    SMP(M)-JYD28L
    মডেল মন্তব্য
    SMP(M)-JYD28L সীমিত আটক
  • SMP(M)-JYD29L
    SMP(M)-JYD29L
    মডেল মন্তব্য
    SMP(M)-JYD29L সীমিত আটক
  • SMP(M)-JYD30L
    SMP(M)-JYD30L
    মডেল মন্তব্য
    SMP(M)-JYD30L সীমিত আটক
  • SMP(M)-JYD31L
    SMP(M)-JYD31L
    মডেল মন্তব্য
    SMP(M)-JYD31L সীমিত আটক
  • SMP(M)-JYD32F
    SMP(M)-JYD32F
    মডেল মন্তব্য
    SMP(M)-JYD32F সীমিত আটক
  • SMP(M)-JYD33L
    SMP(M)-JYD33L
    মডেল মন্তব্য
    SMP(M)-JYD33L সীমিত আটক
  • SMP(M)-JYD34L
    SMP(M)-JYD34L
    মডেল মন্তব্য
    SMP(M)-JYD34L সীমিত আটক
  • SMP(M)-JYD35L
    SMP(M)-JYD35L
    মডেল মন্তব্য
    SMP(M)-JYD35L সীমিত আটক
  • SMP(M)-JYD37L
    SMP(M)-JYD37L
    মডেল মন্তব্য
    SMP(M)-JYD37L সীমিত আটক
  • SMP(M)-JYD41L
    SMP(M)-JYD41L
    মডেল মন্তব্য
    SMP(M)-JYD41L সীমিত আটক
  • SMP(M)-JYD42S
    SMP(M)-JYD42S
    মডেল মন্তব্য
    SMP(M)-JYD42S সীমিত আটক
  • SMP(M)-JYD43L
    SMP(M)-JYD43L
    মডেল মন্তব্য
    SMP(M)-JYD43L সীমিত আটক
  • SMP(M)-JYD44L
    SMP(M)-JYD44L
    মডেল মন্তব্য
    SMP(M)-JYD44L সীমিত আটক
  • SMP(M)-JYD45L
    SMP(M)-JYD45L
    মডেল মন্তব্য
    SMP(M)-JYD45L সীমিত আটক
  • SMP(M)-JYD46L
    SMP(M)-JYD46L
    মডেল মন্তব্য
    SMP(M)-JYD46L সীমিত আটক
  • SMP(M)-JYD47L
    SMP(M)-JYD47L
    মডেল মন্তব্য
    SMP(M)-JYD47L সীমিত আটক
  • SMP(M)-JYD48L
    SMP(M)-JYD48L
    মডেল মন্তব্য
    SMP(M)-JYD48L সীমিত আটক
  • SMP(M)-JYD49L
    SMP(M)-JYD49L
    মডেল মন্তব্য
    SMP(M)-JYD49L সীমিত আটক
  • SMP(M)-JYD50S
    SMP(M)-JYD50S
    মডেল মন্তব্য
    SMP(M)-JYD50S মসৃণ বোর
  • SMP(M)-JYD51L
    SMP(M)-JYD51L
    মডেল মন্তব্য
    SMP(M)-JYD51L সীমিত আটক
  • SMP(M)-JYD52S
    SMP(M)-JYD52S
    মডেল মন্তব্য
    SMP(M)-JYD52S মসৃণ বোর
  • SMP(M)-JYD53L
    SMP(M)-JYD53L
    মডেল মন্তব্য
    SMP(M)-JYD53L সীমিত আটক
  • SMP(M)-JYD54S
    SMP(M)-JYD54S
    মডেল মন্তব্য
    SMP(M)-JYD54S মসৃণ বোর
  • SMP(M)-JYD55L
    SMP(M)-JYD55L
    মডেল মন্তব্য
    SMP(M)-JYD55L সীমিত আটক
  • SMP(M)-JYD57S
    SMP(M)-JYD57S
    মডেল মন্তব্য
    SMP(M)-JYD57S মসৃণ বোর
  • SMP(M)-JYD80L
    SMP(M)-JYD80L
    মডেল মন্তব্য
    SMP(M)-JYD80L সীমিত আটক
  • SMP(M)-JYD81L
    SMP(M)-JYD81L
    মডেল মন্তব্য
    SMP(M)-JYD81L সীমিত আটক
  • SMP(M)-JYD82L
    SMP(M)-JYD82L
    মডেল মন্তব্য
    SMP(M)-JYD82L সীমিত আটক
  • SMP(M)-JYD83F
    SMP(M)-JYD83F
    মডেল মন্তব্য
    SMP(M)-JYD83F সম্পূর্ণ আটক
  • SMP(M)-JYD84S
    SMP(M)-JYD84S
    মডেল মন্তব্য
    SMP(M)-JYD84S মসৃণ বোর
  • SMP(M)-JYD85S
    SMP(M)-JYD85S
    মডেল মন্তব্য
    SMP(M)-JYD85S মসৃণ বোর
  • SMP(M)-JYD86L
    SMP(M)-JYD86L
    মডেল মন্তব্য
    SMP(M)-JYD86L সীমিত আটক
  • SMP(M)-JYD87S
    SMP(M)-JYD87S
    মডেল মন্তব্য
    SMP(M)-JYD87S মসৃণ বোর
  • SMP(M)-JYD88L
    SMP(M)-JYD88L
    মডেল মন্তব্য
    SMP(M)-JYD88L সীমিত আটক
  • SMP(M)-JYD89L
    SMP(M)-JYD89L
    মডেল মন্তব্য
    SMP(M)-JYD89L সীমিত আটক
  • SMP(M)-JYD90L
    SMP(M)-JYD90L
    মডেল মন্তব্য
    SMP(M)-JYD90L সীমিত আটক
  • SMP(M)-JYD91L
    SMP(M)-JYD91L
    মডেল মন্তব্য
    SMP(M)-JYD91L সীমিত আটক
  • SMP(M)-JYD92L
    SMP(M)-JYD92L
    মডেল মন্তব্য
    SMP(M)-JYD92L সীমিত আটক
  • SMP(M)-JYD93S
    SMP(M)-JYD93S
    মডেল মন্তব্য
    SMP(M)-JYD93S মসৃণ বোর
  • SMP(M)-JYD94L
    SMP(M)-JYD94L
    মডেল মন্তব্য
    SMP(M)-JYD94L সীমিত আটক
  • SMP(M)-JYD95L
    SMP(M)-JYD95L
    মডেল মন্তব্য
    SMP(M)-JYD95L সীমিত আটক
  • SMP(M)-JYD96L
    SMP(M)-JYD96L
    মডেল মন্তব্য
    SMP(M)-JYD96L সীমিত আটক
  • SMP(M)-JYD97S
    SMP(M)-JYD97S
    মডেল মন্তব্য
    SMP(M)-JYD97S মসৃণ বোর
  • SMP(M)-JYJ1S
    SMP(M)-JYJ1S
    মডেল মন্তব্য
    SMP(M)-JYJ1S মসৃণ বোর

যোগাযোগ রাখুন

[#ইনপুট#]
জমা দিন
আমাদের সম্পর্কে
নিংবো হ্যানসন কমিউনিকেশন টেকনোলজি কোং, লি.
নিংবো হ্যানসন কমিউনিকেশন টেকনোলজি কোং, লি.
Ningbo Hanson Communication Technology Co., Ltd. is China SMP Hermetically সিল সংযোগকারী Supplier and Custom SMP Hermetically সিল সংযোগকারী Company. We are a manufacturer specializing in the production, processing, and trade of communication components, with more than 30 years of experience in RF coaxial connectors, adapters, and cable assemblies. কোম্পানিটি এখন তার নিজস্ব মেশিনিং ওয়ার্কশপ, ইলেক্ট্রোপ্লেটিং ওয়ার্কশপ, অ্যাসেম্বলি ওয়ার্কশপ এবং স্থিতিশীল এবং নির্ভরযোগ্য সরবরাহকারীদের একটি গ্রুপ তৈরি করেছে। কোম্পানির উদ্দেশ্য উচ্চ মানের পণ্য সঙ্গে গ্রাহকদের প্রদান করা হয়. প্রধান পণ্য হল আরএফ কোঅক্সিয়াল সংযোগকারী, অ্যাডাপ্টার, উচ্চ-ফ্রিকোয়েন্সি তারের সমাবেশ এবং কম ইন্টারমডুলেশন তারের সমাবেশ। উপরন্তু, কোম্পানি পণ্যের জন্য গ্রাহকদের বিশেষ প্রয়োজনীয়তা পূরণের জন্য কাস্টমাইজড চাহিদা সহ গ্রাহকদের জন্য পরিষেবা প্রদান করতে পারে। কোম্পানির পণ্যগুলি মহাকাশ, যোগাযোগ বেস স্টেশন, চিকিৎসা সরঞ্জাম এবং অন্যান্য উচ্চ প্রযুক্তির ক্ষেত্রে ব্যাপকভাবে ব্যবহৃত হয়। এন্টারপ্রাইজ সংস্কার, উদ্ভাবন, উন্নয়ন এবং বৃদ্ধির সময়ে, কোম্পানিটি ISO9001 আন্তর্জাতিক মান ব্যবস্থাপনা সিস্টেমে যোগদানের উদ্যোগ নেয় এবং নতুন এবং পুরানো গ্রাহকদের আরও সন্তোষজনক পণ্য এবং পরিষেবা প্রদানের জন্য ক্রমাগত ব্যবস্থাপনা স্তর উন্নত করে।
সর্বশেষ খবর
ব্যবসার সুযোগ খুঁজছেন?

আজ একটি কল করার জন্য অনুরোধ